¥Þ¥¤¥³¥ó¹©ºî¡õ¥½¥Õ¥È¡¡¡¡Ìܼ¡
¥³¥á¥ó¥È
QSL CREATOR Web¡¡2024/1/31-3/29
eMail¤ÇQSL¥«¡¼¥É¤¬Íè¤ë»ö¤¬¤¢¤ê¡¢¤è¤¯¸«¤¿¤éÊÖÁ÷¥ê¥ó¥¯¤¬¤¢¤Ã¤Æ°Ê²¼¤¬³«¤¤¤¿¡¢
QSL CREATOR Web (EA7IXM)
PA4R¤ÎQSL CREATOR¤È¤Ï°ã¤¦¡¢´ÊÁDz½¤µ¤ì¤¿Web¥¢¥×¥ê¤Ç¤·¤¿¡£
1400x900¤Î²èÁü¤òÍѰդ·ÆþÎÏ¡¢º¸Â¦¤ÏKeep Data¤òON¤·¤Æ¤ª¤¯¤ÈήÍѤǤ¤ë¡£
Áê¼ê¤Î̾Á°¤âÆþ¤ì¤Ê¤¤¤ÈQSLÀ¸À®¤Ç¤¤Ê¤¤¡¢¤Á¤ç¤Ã¤ÈÌÌÅÝ¡£
QSO¥Ç¡¼¥¿¤ÏADIF¤òÆÉ¤á¤ë¤¬Ê£¿ôQSO¤«¤éÁª¤Ö»ö¤Ï¤Ç¤¤Ê¤¤¡£
¤Þ¤¿¡¢RST¤Ë¼«Ê¬¤¬¤â¤é¤Ã¤¿Ãͤ¬Æþ¤Ã¤Æ¤·¤Þ¤¦¡£Áê¼ê¤ÎÃͤǤϡ©¥Ð¥°¡©
¥á¡¼¥ëº¹½Ð¿Í¤ÏQSL CREATOR¤Ë¤Ê¤Ã¤Æ¤ë¤Î¤Ç¡¢eMail¤ÏQSL¤«¤éÆÉ¤ó¤ÇÆþÎÏ¡£
¤È¤ê¤¢¤¨¤º¼êÆþÎϤÇί¤Þ¤Ã¤Æ¤¤¤¿20·ï°Ê¾å¤ËÊÖ¿®¤·¤Þ¤·¤¿¡£
3/29.¥á¡¼¥ë¤ÎRESPOND QSL¤ò²¡¤¹¤È¸ò¿®¥Ç¡¼¥¿¤âÆþ¤Ã¤Æ¤¹¤°ÊÖ¿®¤Ç¤¤¿¡ª
¡¡ÁÇÀ²¤é¤·¤¤Verup¤Ç¤¹¡ª
¡¡QSL World¤«¤é¤âÍè¤ë¤¬¡¢QSLɽ¼¨¤Ç¤¤Ê¤«¤Ã¤¿¤ê¡¢Æ±¤¸¥Ç¥¶¥¤¥ó¤Ç¤¤¤Þ¤¤¤Á¡£
HamAward ¤«¤éeQSL¤òÆÀ¤ë¡¡2024/1/18
¥¤¥¿¥ê¥¢¤ÎµÇ°¶É¤ÈQSO¤·¤ÆQSL¤Ï HamAward ¤«¤éeQSL¤ò¤Èͤä¿¡£
¤À¤¬¡¢QRZ¥Ú¡¼¥¸¤Î¥ê¥ó¥¯¤ò³«¤¤¤Æ¤â¥È¥Ã¥×¥Ú¡¼¥¸¤¬³«¤¯¤À¤±¤Ç¡¢
eQSL¤ò¥À¥¦¥ó¥í¡¼¥É¤¹¤ëÊýË¡¤¬Ê¬¤«¤é¤Ê¤«¤Ã¤¿¡£
ÃηÃÂÞ¤Çʹ¤¯¤È¥¢¥«¥¦¥ó¥È¤¬É¬ÍפÀ¤¬¾ÜºÙ¤Ï˺¤ì¤¿¡¢¤È¥¢¥É¥Ð¥¤¥¹¤¤¤¿¤À¤¤¤¿¡£
¤½¤³¤Ç¡¢Contact us¤«¤éeQSL¤ò¥À¥¦¥ó¥í¡¼¥É¤·¤¿¤¤¤ÈÁ÷¤Ã¤¿¤¬²»º»ÂÁ¤Ê¤·¡£
¤â¤·¤ä¤È¤Á¤ç¤¦¤É´ü´ÖÃæ¤ÎWWA¤Ç¡¢min¤Î100¥Ý¥¤¥ó¥ÈÌܻؤ·¤ÆQSO¡£
ÆÀÅÀ¤Î²£¤Ë¥¢¥ï¡¼¥É¤Î¥Þ¡¼¥¯¤¬½Ð¤Æ¡¢¤½¤Î²¼¤ÎeQSL¥À¥¦¥ó¥í¡¼¥É¥ê¥ó¥¯¤ò¥¯¥ê¥Ã¥¯¡£
¤¹¤ë¤È¥á¥Ë¥å¡¼¤Ëº£¤Þ¤Ç̵¤«¤Ã¤¿ MyAccount ¤¬½Ð¸½¡ª
¤³¤ÎÃæ¤Î Create new Account ¤òÁª¤Ó¡¢¥³¡¼¥ë¥µ¥¤¥ó¤ÈeMail¥¢¥É¥ì¥¹¤òÆþÎÏ¡£
¡ÊeMail¤ÏQRZ¤Î¼«Ê¬¥Ú¡¼¥¸¤ËÅÐÏ¿¤µ¤ì¤Æ¤ë¤ä¤Ä¡Ë
³Îǧ¥á¡¼¥ë¤¬Í褿¤é¡¢¥ê¥ó¥¯¤«¤é¥Ñ¥¹¥ï¡¼¥É¤ò·è¤á¤ÆÆþÎÏ¡£
¡Ê10ʸ»ú°Ê¾å¤ÇÂçʸ»ú¾®Ê¸»ú¿ô»úµ¹æ¤ò´Þ¤à¤ÈÊ£»¨¡Ë
¤³¤ì¤Ç MyAccount ¤ò³«¤¯¤È²áµî¤ÎeQSL¤â¥À¥¦¥ó¥í¡¼¥É¤Ç¤¤ë¤è¤¦¤Ë¤Ê¤ê¤Þ¤·¤¿¡£
eQSL¤Ï1654x1063¤ÎPNG¤ÇÆÈ¼«¥Ç¥¶¥¤¥ó¤Ê¤Î¤âÎɤ¤¡£
Wsjtx-log¤Î¥Ñ¥½¥³¥ó´Ö¥³¥Ô¡¼¡¡2024/1/13
°ÜưÍѥѥ½¥³¥ó¤«¤é¸ÇÄê¥Ñ¥½¥³¥ó¤Ø¤Î¥í¥°¥³¥Ô¡¼¡¢
Hamlog¤Ï¿·¤·¤¤Ê¬¤ò¸¡º÷¤·CSV¤Ç½Ð¤·¡¢¥¤¥ó¥Ý¡¼¥È¤·¤Æ¤¤¤ë¡£
JTDX¤Î¿§ÉÕ¤±¤â¤ä¤ê¤¿¤¤¤Î¤Ç¡¢Wsjtx.log¡¢Wsjtx-log.adi¤ò
¥¨¥Ç¥£¥¿¤Ç¹Ô¥³¥Ô¡¼¡¢Å½¤êÉÕ¤±¤·¤Æ¤¤¤¿¡£
¤³¤ì¤âWindows PowerShell ¤Çºî¤ê´Êñ²½¤·¤¿¡£wsjtlog_add1.ps1
¥Õ¥©¡¼¥à¤ËÄɲ乤ë¶É¿ô(¹Ô¿ô)¤òÆþ¤ìOK¤Ç¼Â¹Ô¡£
¥¨¥é¡¼½èÍý¤Ï¤¢¤Þ¤êÆþ¤ì¤Æ¤Ê¤¤¤Î¤ÇÃí°Õ¡£
PowerShell ¤Ï»È¤Ã¤Æ¤ß¤ë¤È¤Ê¤«¤Ê¤«Îɤ¤¡¢ÊØÍø¤À¡£
Wsjtx-log.adi¤ÎNilºï½ü¡¡2024/1/6
FT8¤Ï¿¬ÀÚ¤ì¤Ç½ª¤ï¤Ã¤Æ¤·¤Þ¤¦»ö¤â¤¢¤ë¡£¸å¤ËLotw¤ÇOK¤Ë¤Ê¤ë¤Î¤Ï25%°Ì¤À¡£
»Ä¤ê75%¤ÎNil¥Ç¡¼¥¿¤¬»Ä¤Ã¤Æ¤¤¤ë¤ÈQSOºÑ¤ß¤È»×¤Ã¤Æ¤·¤Þ¤¦¡£
¤½¤³¤Ç¡¢JTDX,WSJT-X¤Î¥í¥°¤«¤éNil¥Ç¡¼¥¿¤ò½ü¤¯¥½¥Õ¥È¤òºî¤Ã¤¿¡£
Windows¤ËÉÕ°¤ÎPowerShell¤ò»ÈÍÑ¡¢ÀßÄê¤À¤±¤Ç¤¹¤°»È¤¨¤ë¤Î¤âÎɤ¤¡£
¥Ç¥Õ¥©¥ë¥È¤ÇÀ©¸Â¤¬³Ý¤«¤Ã¤Æ¤¤¤ë¤Î¤Ç¼Â¹Ô¥Ý¥ê¥·¡¼¤òÀßÄê¡£
PowerShell¤ò´ÉÍý¼Ô¤Ç¼Â¹Ô¤·¡¢°Ê²¼¤Î¥³¥Þ¥ó¥É¤òÂǤÄ
Set-ExecutionPolicy RemoteSigned #¥µ¥ó¥×¥ë¤¬¼Â¹Ô¤Ç¤¤Ê¤«¤Ã¤¿
Set-ExecutionPolicy Unrestricted #³Îǧ¤Ï½Ð¤ë¤¬¼Â¹Ô¤Ç¤¤ë
(RemoteSigned¤Ï¡¢*.ps1¤Î¥×¥í¥Ñ¥Æ¥£-¥»¥¥å¥ê¥Æ¥£-µö²Ä¤¹¤ë¤ÇOK¤Ç¤·¤¿)
³«È¯´Ä¶¤ÏPowerShell ISE¤Ç¡¢»²¹Í½ñ¤ÈWeb¤Ç¾¯¤·¤º¤Ä»î¤·¤Æ¹Ô¤¯¡£
Ƚ¤é¤Ê¤¤½ê¤Ï°ì¹Ô¼Â¹Ô¤ò»È¤Ã¤Æ³Î¤«¤á¤¿¡£
º£²ó¤ÎÍͤʥƥ¥¹¥È½èÍý¤ÏÌäÂê¤Ê¤¯¤Ç¤¤Þ¤·¤¿¡£
¾È¹ç¤Ïǯ·îÆü¤È¥³¡¼¥ë¥µ¥¤¥ó¤Ë¤·¤¿¡¢°ìÆü¤ÎQSO¿ô¤Ï¤½¤ó¤Ê¤Ë¿¤¯¤Ê¤¤¤·¡¢
Nil¤Ï°ì·ï¤òLog¤ÇÄ´¤Ù¤¿¤é¼¡¤Ø¹Ô¤¯¤Î¤ÇÌäÂê¤Ê¤¤¤«¤È¡£
NilList¤òºî¤ë¤Ë¤Ï¡¢Lotw2Thw¤ÇQSL³Îǧ¤ò¤¹¤ë¡£
Hamlog¤ÎÊ£¹ç¾ò·ï¸¡º÷¤Î¸¡º÷ް1¤Ç¿¬ÀÚ¤ì¤änil?¤«¤ÄQSL-RCV̵¤·¤òÃê½Ð¡£
Ê£¿ô¤ÎCSV¥Õ¥¡¥¤¥ë¤ò·Ò¤²¤Æ°ì¤Ä¤Ë¤·¤¿¡£
wsjtx_log.adi¤ÈNil.csv¤òÍѰդ·¼Â¹Ô¡£¥À¥¤¥¢¥í¥°¤ÇNil.csv¤òÁª¤Ó¤Þ¤¹¡£
wsjtx_log-OK.adi¤Èwsjtxlog-nil.adi¤¬¤Ç¤¤ë¡£
nil¤ÎÊý¤ÏƱ̾¥Õ¥¡¥¤¥ë¤¬¤¢¤ì¤Ð¡¢Äɵ¤·¤Æ¤¤¤¤Þ¤¹¡£
OK¤ÎÊý¤òwsjtx_log.adi¤ËÊѹ¹¤·JTDX,WSJT-X¤Î¥Õ¥©¥ë¥À¤Ø¾å½ñ¤Êݸ¡£
WSJT-X¤ÏÀßÄê-¿§-ADIF¥í¥°ºÆÆÉ¤ß¹þ¤ß¡£JTDX¤Ë¤Ï̵¤¤¤¬Âç¾æÉפߤ¿¤¤¤Ç¤¹¡£
Rasberry pi pico + 1.8inch TFT LCD 128x160¡¡2023/4/24-9/9
Uno¤Ç¤Ï¥é¥¤¥Ö¥é¥êÄɲäÏ̵¤¯¤Ç¤¤¿¤¬¡¢pi pico¤Ç¤ÏAdafruit_ST7735 ¤ò»È¤¦»ö¤Ë¤·¤¿¡£
Web¤ÎºîÎã¤âÅöÊý¤Ç¤Ï¥¨¥é¡¼¤Ë¤Ê¤Ã¤Æ¤·¤Þ¤¦»ö¤â¤¢¤Ã¤¿¡£
¥¤¥ó¥¿¥ó¥¹¤Ï¡¢¡õSPI¤òÄɲ乤ë¤è¤ê¥Ô¥ó£µËܤò½ñ¤¯Êý¤¬Îɤµ¤½¤¦¡£
Adafruit_ST7735 tft = Adafruit_ST7735(TFT_CS, TFT_DC, TFT_MOSI, TFT_SCLK, TFT_RST);
°Ê²¼¤ÎSPIÀßÄê¤Ï¥¨¥é¡¼¤Ë¤Ê¤Ã¤¿¡¢¾å¤ò¤ä¤ì¤Ð̵¤¯¤Æ¤âÎɤµ¤½¤¦¡£
SPI.setTX(TFT_MOSI);
SPI.setSCK(TFT_SCLK);
¡Ê9/9.EarlePhilhowerÈǤǥϡ¼¥ÉSPI¤Ë¤¹¤ë»þ¤ÏɬÍס£¡Ë
ÎÐ¥¿¥Ö¤Îʪ¤À¤Ã¤¿¤¬¡¢ST7735½é´ü²½¤Ï¹õ¥¿¥ÖÍѤÎÊý¤¬Îɤµ¤½¤¦¡£
tft.initR(INITR_BLACKTAB);
tft.printf¤Ï¥¨¥é¡¼¡¢tft.print¤¬Àµ¤·¤«¤Ã¤¿¡£
pipico-ST7735_apr23a.ino
3ü»Ò¥ì¥®¥å¥ì¡¼¥¿¤¬ºÜ¤Ã¤Æ¤¤¤ë¤Î¤Ç¡¢ÅŸ»¤Ï5V¤â¹Ô¤±¤½¤¦¡£(V1.1´ðÈÄ)
²£Ä¹¤Ç»È¤¦»þ¡¢º¸±¦¤Î»ëÌî³Ñ¤¬¶¹¤¯¤Ê¤ë¡£
9/9.¾å¤Î¤ä¤êÊý¤Ï¥½¥Õ¥ÈSPI¤ÇÃÙ¤«¤Ã¤¿¡£MbedÈǤǥϡ¼¥ÉSPI¤Ë¤¹¤ë¤Ë¤Ï¡¢
pin¥Ç¥Õ¥©¥ë¥È¤Ç¥¤¥ó¥¹¥¿¥ó¥¹¤òTFT_MOSI,TFT_SCLK¤«¤é¡õSPI¤Ë¤·¤¿¤é½ÐÍ褿¡£
Rasberry pi pico¤ÇAruduino¡¡2023/3/4-9/9
Rasberry pi pico¤òAruduino¤Ç»È¤ª¤¦¤È¤·¤¿¤é¡¢½é´üÀܳ¤Ç¤Ä¤Þ¤º¤¤¤¿¡£
¥½¥Õ¥È¤òÆþ¤ì¤Æpi picoÍѤ˥³¥ó¥Ñ¥¤¥ë¤Ç¤¤ë¤³¤È¤ò³Îǧ¡£
pi pico¤òBOOTSEL¤ò²¡¤·¤Ê¤¬¤éÀܳ¢ª¥É¥é¥¤¥Ö¤¬½ÐÍè¤ë¢ª½ñ¤¹þ¤ß¢ª¥¨¥é¡¼
¤ä¤êľ¤·¤Æ¤âƱ¤¸¡£¥Ç¥Ð¥¤¥¹¥Þ¥Í¡¼¥¸¥ã¡¼¤Ç¸«¤ë¤È¡¢RP2 boot¤ËÃí°Õ¥Þ¡¼¥¯¡£
Zadig¤ò»È¤Ã¤ÆRP2 boot¤ËWinUSB¥É¥é¥¤¥Ð¤ò³ä¤êÅö¤Æ¤¿¡£
Jungo-Windriver¤È¤Ê¤Ã¤¿¡¢com¥Ý¡¼¥È¤Ï̤¤À¤Ê¤¤¡£
ºÆÅÙ¡¢pi pico¤òBOOTSEL¤ò²¡¤·¤Ê¤¬¤éÀܳ¢ª¥É¥é¥¤¥Ö¤¬½ÐÍè¤ë¢ª½ñ¤¹þ¤ß¢ªOK
com¥Ý¡¼¥È¤Ç¤¤Æ¡¢¥Ö¥ê¥ó¥¯¥¹¥±¥Ã¥Á¤¬Æ°¤½Ð¤·¤Þ¤·¤¿¡£
ps.¿§¡¹¤ä¤Ã¤Æ¤¿¤é¡Ö½ñ¤¹þ¤ß¥¨¥é¡¼¡×¤¬½Ð¤¿¡£¤É¤Î¥¹¥±¥Ã¥Á¤Ç¤â¥¨¥é¡¼¤ÇNG¡£
BOOTSEL¤ò²¡¤·¤Ê¤¬¤éÀܳ¤·¥É¥é¥¤¥Ö¤¬½Ð¤Æ¤«¤é¡¢½ñ¤¹þ¤ß¤·¤¿¤éÉüµì¤·¤¿¡£
9/9.EarlePhilhowerÈǤϡ¢MbedÈǤè¤ê¥³¥ó¥Ñ¥¤¥ë¤¬Á᤯¡¢»È¤¤¤ä¤¹¤¤¡£
¤À¤¬¡¢µ½Ò¤ËºÙ¤«¤¤°ã¤¤¤¬¤¢¤ê¡¢FFT·ë²Ì¤Ë¤âº¹¤¬½Ð¤¿¡£
ATMEL AVRISPmk2¥É¥é¥¤¥Ð¡¼¡¡2023/1/25
¤È¤¢¤ëWindows10¤ÎPC¤ÇAVRISPmk2¤òư¤«¤½¤¦¤È¤·¤¿¤é¡¢
driver-atmel-bundle-7.0.888.exe¤¬Ìµ¤¯¤Ê¤Ã¤Æ¤¤¤¿¡£
¤«¤ï¤ê¤ËAtmel-USB-Installer-7.0¤ò¸«¤Ä¤±¤¿¡£
¤³¤ÎÃæ¤Îdriver-atmel-installer-x64-7.0.1645.msi¤ò¥¤¥ó¥¹¥È¡¼¥ë¤·¤¿¡£
Àܳ¤·¤Æ¥Ç¥Ð¥¤¥¹¥Þ¥Í¡¼¥¸¥ã¡¼¤Ç¸«¤ë¤È ATMEL - AVRISPmk2 ¤È¤Ê¤Ã¤¿¡£
¤³¤ì¤ÇAVRdudess¤ò»î¤·¤¿¤éưºî¤·¤Þ¤·¤¿¡£
¤È¤ê¤¢¤¨¤ºliveusb¤Ï̵¤¯¤Æ¤â¤Ê¤ó¤È¤«¤Ê¤ë¡©
BASCOM¤Ç¾®¿ô¤Î¤Ù¤¾è¤ò·×»»¡¡2022/9/8
¥ê¥¿¡¼¥ó¥í¥¹¥Ö¥ê¥Ã¥¸¤Ç¸¡ÇȤ·¤¿Å۵¤òAVR¤ÇADÊÑ´¹¤·¥Ñ¥ï¡¼¤Ë´¹»»¤¹¤ë¡£
¥¨¥¯¥»¥ë¤Ç¶á»÷¶ÊÀþ¤òÉÁ¤¡¢¿ô¼°¤ò¸«¤ë¤È P¡áX^1.76*0.00028 ¤È¤Ê¤Ã¤¿¡£
²óÏ©¿Þ¢ªReturnloss.png¡¢ÆÃÀ¢ªRF-RLB-P.gif
BASCOM¤Ç¾®¿ô¤Î¤Ù¤¾è¤ò¥·¥ß¥å¥ì¡¼¥¿¤Ç»î¤¹¤ÈX^1.76¤ÏX^2¤Ë¤Ê¤êNG¡£
Ä´¤Ù¤ë¤È¢å¤Ï0.5¾è¡¢¢å¢å¤Ï0.25¾è¤Ê¤Î¤Ç¡¢¤½¤ì¤ò³Ý¤ì¤Ð¶á»÷¤Ç¤¤ë¤Èʬ¤«¤Ã¤¿¡£
X^1.75 = X * ¢åX * ¢å¢åX
¥½¡¼¥¹¢ªRFpower.bas
MPLAB X IPE¤ÇPIC¤ÎEE data¤òÊѹ¹¡¡2021/11/11
ATU100¤òVer3.2¤ØVerUP¤·¤¿¤é¡¢EE data¤ÎÊѹ¹¤Ç¤È¤Æ¤â¶ìÏ«¤·¤¿¡£
MPLAB X IPE¤ÏVer4.2¡£
Ver3.2¤ÎHex¤ò¡¢PICkit3¤òConnect¤·¡¢Hex File:¤ÇÆÉ¤ß¹þ¤à¡£
Advance Mode¤Ë¤¹¤ë¡¢Password¤ÏHelp¤ËµºÜ¤µ¤ì¤Æ¤¤¤¿¡£
Window - Target Memory Views - EE MemoryView ¤ÇEE data¤òɽ¼¨¡£
EE data¤ÏView¤ÇÊÔ½¸¤Ï¤Ç¤¤Ê¤¤ÍͤʤΤǡ¢
ɽ¼¨¤µ¤ì¤¿¥Ç¡¼¥¿¤ò±¦¥¯¥ê¥Ã¥¯¤· Export Table .. ¤Ç¥Õ¥¡¥¤¥ëÊݸ¡£
¤³¤Î¥Õ¥¡¥¤¥ë¤ò¥¨¥Ç¥£¥¿¤Ç³«¤ 00:4E 01:01 07:01¢ª 00:78(7A) 01:05 07:00¤ØÊѹ¹¤·¾å½ñ¤¡£
¥¢¥É¥ì¥¹00¤ò±¦¥¯¥ê¥Ã¥¯¤· Inport Table .. ¤ÇÊѹ¹¤·¤¿¥Õ¥¡¥¤¥ë¤òÆÉ¤ßEE Data¤ØÈ¿±Ç¡£
¡Ö¸åÆü¡¢¿ôÃͤòÂǤƤÐÊѹ¹¤Ç¤¤ë¤ÈȽ¤Ã¤¿¡×
¤³¤ì¤ÇProgram¤Ç½ñ¤¹þ¤ó¤À¤éEE data¤Ï¸µ¤Î¥Ç¡¼¥¿¤ËÌá¤Ã¤Æ¤·¤Þ¤Ã¤¿¡£
¤½¤³¤Ç¡¢EE data¤òÊѹ¹¤·¤¿¤é¡¢¥×¥í¥°¥é¥à¤È¶¦¤Ë°ìÅÙ¡¢Êݸ¤¹¤ë¡£
File - Export - HEX ¤Ç¥Õ¥¡¥¤¥ëÊݸ¤·¡¢Hex File:¤Ç¤½¤Î¥Õ¥¡¥¤¥ë¤òÆÉ¤ß¹þ¤à¡£
Program¤ÇPIC¤Ø½ñ¤¹þ¤ß¡¢¤³¤ì¤Ç¤ä¤Ã¤ÈVerUp¤ÈEE data½¤Àµ¤¬´°Î»¤·¤¿¡£
nanoVNA »þ´Ö¥É¥á¥¤¥ó¬Äê¡¡2021/10/24
RF¥ï¡¼¥ë¥É¤ËnanoVNA¤Ç»þ´Ö¥É¥á¥¤¥ó¤ò¬Äꤹ¤ëµ»ö¤¬ºÜ¤Ã¤Æ¤¤¤¿¡£
¡¦DISPLAY TRANSFORM ON , LOWPASS STEP , FORMAT REAL
¡¦FREQ STRAT 50KHz STOP 600MHz (RG58U 5m¤Î»þ)
ÉÔ¶ñ¹ç¤ÊƱ¼´¥±¡¼¥Ö¥ë¤ò¬Äꤷ¤¿¤éÉÔÎɲսê¤Î¥³¥Í¥¯¥¿¤¬È½¤Ã¤¿¡£À¨¤¤¡ª
BascomAVR¥¤¥ó¥¹¥È¡¼¥ë¤Î¥È¥é¥Ö¥ë¡¡2021/9/17
Windows10 pro 32bit¤ØBascomAVRÀ½ÉÊÈǤò¥¤¥ó¥¹¥È¡¼¥ë¤·¤è¤¦¤È¤·¤¿¤é¡¢
²èÌ̤¬¿¿¤Ã¹õ¤Ë¤Ê¤ê¡¢¤·¤Ð¤é¤¯ÂԤĤÈÀIJèÌ̤κƵ¯Æ°¥á¥Ã¥»¡¼¥¸¤¬½Ð¤ÆºÆµ¯Æ°¤·¤¿¡£
¥Ñ¥½¥³¥ó¤ÏLetnote CF-Y9 Win7¤«¤é¥Ç¥å¥¢¥ë¥Ö¡¼¥È¤ÇÆþ¤ì¤¿Windows10¡£
ºòǯ¡¢Ê̤ÎWindows10 home 64bit¥Ñ¥½¥³¥ó¤Ø¤ÏÌäÂê¤Ê¤¯¥¤¥ó¥¹¥È¡¼¥ë¤Ç¤¤¿¤Î¤Ë¡£
·ë¶É¡¢Setup.exe¤òWindows8¸ß´¹¥â¡¼¥É¤ËÀßÄꤷ¤¿¤é¡¢¥»¥Ã¥È¥¢¥Ã¥×²èÌ̤¬½Ð¤ÆÌµ»ö¤Ë¥¤¥ó¥¹¥È¡¼¥ë¤Ç¤¤Þ¤·¤¿¡£
CF-Y9¥Ó¥Ç¥ª¥É¥é¥¤¥Ð¤Î´Ø·¸¤«¡©¤È¹Í¤¨¤Æ¤¤¤Þ¤¹¡£
¥¤¥ó¥¹¥È¡¼¥ë¸å¤Ï̵»ö¤Ëư¤¤¤Æ¤¤¤Þ¤¹¡£
Windows10¤ËArduino¡¡2021/8/29
Arduino¤ò»È¤¦É¬Íפ¬½Ð¤Æ¤¤¿¤Î¤Ç¡¢Windows10¥¤¥ó¥¹¥È¡¼¥ë»þ¤Î¥È¥é¥Ö¥ë¤ò½ñ¤¤¤Æ¤ª¤¯¡£
CH340¥É¥é¥¤¥Ð¤Î¥¤¥ó¥¹¥È¡¼¥ë¤Ç¼ºÇÔɽ¼¨¡£¢ªCH340¤òÀܳ¤·¤Æ¤«¤é¥¤¥ó¥¹¥È¡¼¥ë¤¹¤ì¤ÐOK¡£
Nano¸ß´¹¥Ü¡¼¥É¤Ë½ñ¤¹þ¤ß¼ºÇÔ¤¹¤ë¡£¢ª¸Å¤«¤Ã¤¿¡¢(Old Bootloader)¤òÁªÂò¤·¤ÆOK¡£
AQM0802¤Ç1¹ÔÌܤÎɽ¼¨¤Ç¤Ê¤¤¡¢2¹ÔÌܤϽФ롣¢ª¤³¤ÎLCD¤¬¸Î¾ã¡¢Bascom¤Ç¤âNG¤Ç¾LCD¤ÏOK
NanoVNA¤Î²þÁ±²þ¤¡¡2021/3/28
¤ª¤¸¤µ¤ó¹©Ë¼¤ËNanoVNA²þ¤¤¬ºÜ¤Ã¤Æ¤¤¤Æ¡¢¤³¤ÎÃæ¤ÎSWR bridge²þÁ±,U6-8ÅŸ»¥ê¥Ã¥×¥ëÂкö¤ò¹Ô¤Ã¤¿¡£
Mix(U7)¤ÎÆþÎÏZ¤ò¾å¤²¤ëR20,21¤Ï150¦¸¤¬Ìµ¤¯¡¢200¦¸¤ò»î¤¹¤ÈSHFÂÓ¤ÇÊÑÆ°¤¬Â礤¯¤Ê¤êNG¡£
100¦¸¤ÎÊý¤¬SHFÂÓ¤ÎÊÑÆ°¤¬¾¯¤Ê¤«¤Ã¤¿¡£¥ì¥Ù¥ëUP¸ú²Ì¤¬½Ð¤ë¤Î¤ÏUHF°Ê²¼¤«¤â¡£
U6-8ÅŸ»¥ê¥Ã¥×¥ëÂкö¤ÏOLEDÍÑ¤ÈÆ±¤¸10¦¸,10uF¤Ë¤·¤¿¡£Á´°è¤Ç¥Î¥¤¥º¤¬¸º¤ê¸ú²Ì¤ÏÂ礤¤¡£
R13¤Î1pFÊÂÎó¤ÏSHF¤Î¶¡µë¿®¹æ¥ì¥Ù¥ë¤ò¾å¤²¤Æ¤¤¤ë¡£
¥Ñ¥¿¡¼¥ó¤ÏºÙ¤«¤¯¥«¥Ã¥È¤äºï¤ê¤ÏÆÃ¤ËÃí°Õ¤òÍפ·¤¿¡£
| R9 | R20 | R21 | R13 | U6-8_5V_R | U6-8_5V_C |
|---|---|---|---|---|---|
| 100¦¸ | 100¦¸ | 100¦¸ | 1pFÊÂÎó | 10¦¸ | 10uF¥¿¥ó¥¿¥ë |
nanoVNA²þ¤¼Ì¿¿¡Ê49.9¦¸=68X¡Ë
̤²þ¤¤Ç¤Ï¼ÂÍѤˤʤé¤Ê¤«¤Ã¤¿1.2GHz¤â¬¤ì¤ëÍͤˤʤä¿¡£1268MHz4eleLoop
430MHzÂÓ¤âÊÑÆ°¤¬¸º¤êÀºÅÙ¤¬Îɤ¯¤Ê¤Ã¤¿¡£433MHz2eleYagi(FCZ180)
¡ã¥³¥á¥ó¥È¡ä
- How are u Yoshi san. Long time -Kanti - vu2gsm (2021/03/28 22:12:14)
- Hello kanti , Long time no see. - JE2TLZ (2021/03/29 10:47:13)
Windows10¤ÇAVR Studio4¤ò»È¤¦¡¡2020/11/3
Windows10(64bit)¤Ç»È¤¤´·¤ì¤¿AVR Studio4¤Î¥é¥¤¥¿¡¼¤¬»È¤¨¤Ê¤¤¤«Ä´¤Ù¤¿¡£
AVR Studio4.19¤ò¤½¤Î¤Þ¤Þ¥¤¥ó¥¹¥È¡¼¥ë¤¹¤ë¤Î¤ÏNG¡£
AVRisp-mk2¥É¥é¥¤¥Ð¤òWindows10ÍѤˤ·¤¿¤é¡¢Æ°¤¯¤Î¤Ç¤Ï¡©¤È¹Í¤¨¤¿¡£
windows10¤ÇAVRISP MKII¤ò»È¤¦¤ò»²¹Í¤Ë¡¢Atmel studio7¥É¥é¥¤¥Ð
¤Èlibusb-win32¤ò¥¤¥ó¥¹¥È¡¼¥ë¤·ÀßÄê¡£
¥Ç¥Ð¥¤¥¹¥Þ¥Í¡¼¥¸¥ã¡¼¤Çlibusb²¼¤ËAVRisp-mk2¤¬¤¢¤ë»ö¤ò³Îǧ¡£
°ã¤¦»þ¤Ï¥É¥é¥¤¥Ð¤Î¹¹¿·¤Ë¤Æ¡¢ÍøÍѲÄǽ¤Ê¥É¥é¥¤¥Ð°ìÍ÷¤«¤éÁª¤ó¤ÇÊѹ¹¡£
AVR Studio4.19¤ò¥¤¥ó¥¹¥È¡¼¥ë¡¢libusb¤Îɽ¼¨¤¬½Ð¤¿½ê¤ÇÃæÃǤ·¥¤¥ó¥¹¥È¡¼¥ë½ªÎ»¡£
AVR Studio4¤òµ¯Æ°¤·¥é¥¤¥¿¡¼¤ÇAVRisp-mk2¤òÁªÂò¤·¤¿¤é̵»ö¤Ë½ñ¤¹þ¤á¤Þ¤·¤¿¡£
2021/1/16.AVR Studio4¤¬AVRisp-mk2¤òǧ¼±¤·¤Ê¤¯¤Ê¤Ã¤¿¡£
¥Ç¥Ð¥¤¥¹¥Þ¥Í¥¸¥ã¤Ç¸«¤Æ¤âÊѤê¤Ï¤Ê¤¤¤¬¡¢WindowsUpdate¤Î±Æ¶Á¤À¤í¤¦¡£
¿§¡¹¤ä¤Ã¤¿¤¬¡¢Äü¤á¤ÆÊ̤Υ饤¥¿¡¼¥½¥Õ¥È¤òõ¤¹¡¢AVRdude(¥³¥Þ¥ó¥É¥é¥¤¥ó)¤Ïư¤¯¡£
GUIÈǤÎAVRdude-GUI¤ÏWin10¤Ç¤ÏNG¡¢AVRdudeSS¤¬Í¤ê¤Þ¤·¤¿¡£
1.54·¿OLED I2C Çò¿§ ¤Î³Îǧ¡¡2020/7/3-8
Aliexpress¤Ç1.54·¿OLED¤¬Áý¤¨¤Æ¤¤¿¡¢²Á³Ê¤Ï1.3·¿¤ÎÇܰʾ夷¤Þ¤·¤¿¡£
SSD1309¤ÏSSD1306¤È¸ß´¹À¤¢¤ë¤Î¤Ç¡¢°ÊÁ°¤ÎUG2864K¥Æ¥¹¥ÈÍѤdzÎǧ¡£
΢Ì̤ˤϥ¿¥ó¥¿¥ë¥³¥ó£²¤Ä¤ä¥¤¥ó¥À¥¯¥¿¤¬¸«¤¨¡¢¥¹¥¤¥Ã¥Á¥ó¥°ÅŸ»¼°¤Ç¤·¤Ã¤«¤ê¤·¤Æ¤ë¡£
RESü»Ò¤ÏH¢ªL¢ªH¤È¤·¤¿¡£²èÌ̤Ï2³äÁý¤·¤À¤¬¡¢¤À¤¤¤ÖÂ礤¯´¶¤¸¤ë¡£
| OLED I2C Çò¿§ | 5V | 3.3V | ATmega |
|---|---|---|---|
| 1.54·¿SSD1309 | 44mA | 60.8mA | UG2864K¥Æ¥¹¥ÈÍÑ |
| 1.54·¿SSD1309 | 58mA | 87mA | SSD1306-V2 contrast=255 |
| 1.54·¿SSD1309 | 25mA | 36mA | SSD1306-V2 contrast=0 |
| 1.54·¿SSD1309 | 23.4mA | 34.8mA | ¥¢¥ó¥Æ¥Ê¥¢¥Ê¥é¥¤¥¶¡¼ÍÑ |
| 1.3·¿SH1106 | 7.2mA | 7.2mA | ¥¢¥ó¥Æ¥Ê¥¢¥Ê¥é¥¤¥¶¡¼ÍÑ |
SH1106ÍÑ¥×¥í¥°¥é¥à¤Ç¤âɽ¼¨¤·¤¿¡£ÅÅή¤¬Â¿¤¤¡£
ÅÅή¤Ïɽ¼¨ÆâÍÆ¤È¥³¥ó¥È¥é¥¹¥È¤Îº¹¤¬½Ð¤Æ¤¤¤ë¡£0¤Ç¤â¼¼Æâ¤Ê¤é½½Ê¬¤ÊÌÀ¤ë¤µ¤Ç¤·¤¿¡£
ÅÅήÁý¸º¤Ë¤è¤ë¥ê¥Ã¥×¥ë¤âÂ礤¤¡£
nanoVNA¤ÎVerUP¤ÈPC¥½¥Õ¥È¡¡2019/11/21-2021/2/12
nanoVNA¤Î¥Õ¥¡¡¼¥à¤ÎVerUP¤Ï¡¢¥Þ¥Ë¥å¥¢¥ë¤Î¥Ú¡¼¥¸¤ËºÜ¤Ã¤Æ¤ë¡£
¤À¤¬¡¢Windows¤Ç¤ÏSTM¥Ä¡¼¥ë¤È¤«¥É¥é¥¤¥Ð¤ÎÆþ¤ìÂØ¤¨¤È¤«ÌÌÅݤ½¤¦¤À¤Ã¤¿¡£
¥¹¥È¥í¥Ù¥ê¡¼¥ê¥Ê¥Ã¥¯¥¹¤ÎSTBeeÍѥġ¼¥ë¡¢DFUW¤ò»È¤Ã¤¿¤é´Êñ¤Ç¤·¤¿¡£
Ver.0.5.4¤Ë¤Æ1280MHz(5ÇÜÇÈ)¤ò¥Æ¥¹¥È¡£435MHz(3ÇÜÇÈ)¤Ï¥¢¥ó¥Æ¥Ê¬Äê¤ÇOK¤½¤¦¡£
1280MHz¤Ï¥Î¥¤¥º¤Ã¤Ý¤¯¥À¥ß¡¼¤Ï²¿¤È¤«¡¢¥¢¥ó¥Æ¥Ê¤Ï¶¦¿¶¤¬¸«¤¨¤ºNG¤À¤Ã¤¿¡£
CW¿®¹æ¤ò½Ð¤·Gigast¥¹¥Ú¥¢¥Ê¤Ç¬Äê¡£5ÇÜÇȤÎ1280MHz¤Ï¤½¤³¤½¤³¼å¤¤¡£
| Freq | x1 | x3 | x5 | |
|---|---|---|---|---|
| 145MHz | -15dBm | -30dBm | -37dBm | x3=435MHz |
| 200MHz | -16 | -32 | -41 | |
| 256MHz | -16.5 | -35 | -46 | x5=1280MHz |
2020/5¡¢1.5GHzÂбþ¤Ï¿®¹æ½ÐÎϤÎR13¤Ë3pF°Ì¤ò¥Ñ¥éÉÕ¤±¤·¹âÄ´ÇȤò¶¯¤¯¤¹¤ë²þ¤¤òȼ¤¦»ö¤À¤Ã¤¿¡£
1.2GHz¥¢¥ó¥Æ¥Ê¤Ç»î¤¹¤È¡¢¶¦¿¶¤Ïʬ¤«¤ë¤¬ÉÔ°ÂÄꤵ¤Ï»Ä¤ë¡£²¿¤È¤«»È¤¨¤ë¡©
2021/2¡¢PC¥½¥Õ¥È¤ÏnanoVNAsaver¤¬Í̾¤À¤¬¡¢Avira¤Ë°ú¤Ã³Ý¤«¤ê¥¤¥ó¥¹¥È¡¼¥ëNG¡£
õ¤·¤¿¤é¡¢NanoVNA Sharp MOD v3¤¬Í¤Ã¤¿¡£NanoVNA¥½¥Õ¥È¤ò²þÊѤ·¤¿Êª¤é¤·¤¤¡£
¼Â¹Ô¤Ë¤ÏNanoVNA¥½¥Õ¥È¤Îzh-CN°Ê²¼¤âɬÍפÀ¤Ã¤¿¡£°ÂÄê´¶¤â¤¢¤ê½½Ê¬¤Ê´¶¤¸¤À¡£
MSi.SDR¡¡2019/11/5-10
Aliexpress¤ÇRSP1¥¯¥í¡¼¥ó¤ÎMSi.SDR¤òÇã¤Ã¤¿¡£Ìó4600±ß¡£
Spec¤Ï10KHz¡Á2GHz,12bitADC,TCXO¤Ç¡¢ÊüÁ÷ÍÑ8bit¤ÎRTL-SDR¤è¤ê¾å°ÌÉʤǤ¹¡£
ËÜÂΤϻפ俤è¤ê¾®¤µ¤¤¡ª¥±¡¼¥¹¤¬¥¢¥ë¥ß¤Ê¤ó¤Ç¹âµé´¶¤Ï¤¢¤ê¤Þ¤¹¡£
¥Û¥¤¥Ã¥×¥Ù¡¼¥¹¤È¥í¥Ã¥É¥¢¥ó¥Æ¥Ê¤âƱº¤µ¤ì¤Æ¤Þ¤·¤¿¡£
¤¿¤À¡¢Î¾Êý3mm¥ª¥¹¥Í¥¸¤ÇÁõÃå¤Ç¤¤Þ¤»¤ó¡£¤µ¤¹¤¬Ãæ¹ñÉÊ¡¦¡¦¡¦
¥Ð¥é¤·¤Æ´ðÈĤò¸«¤ë¤È¥á¥¤¥óIC£²¤Ä¤ÏMSi001¤ÈMSi2500¡¢IC¥á¡¼¥«¡¼¤À¤Ã¤¿¡©
ÆâÉô¼Ì¿¿¡¢É½¡¡ÆâÉô¼Ì¿¿¡¢Î¢¡¡
SDRplay¤«¤éSDRuno¤ò¥À¥¦¥ó¥í¡¼¥É¡¢RSP1Íѥɥ饤¥Ð¤â´Þ¤Þ¤ì¤Æ¤¤¤Þ¤¹¡£
¥¤¥ó¥¹¥È¡¼¥ë¸å¤ÎÁàºî¤Ë¸ÍÏǤ¦¤¬¡¢SDRplay¤ËÆüËܸìÀâÌÀ½ñ¤¬¤¢¤ê¤Þ¤·¤¿¡£
FMÊüÁ÷¤È¹Ò¶õ̵Àþ¤ò¼õ¿®¤·¤¿´¶¤¸¤Ï¤Þ¤¢¤Þ¤¢Îɤ¤¤Ç¤¹¡£
HDSDR¤âHDSRD with RSP1¤Ë¤·¤Æ¤ß¤¿¡¢SDRuno¤è¤êCPUÉé²Ù¤¬·Ú¤¤¡£
R820T2¤È50MHz¥Ó¡¼¥³¥ó¤òİ¤Èæ¤Ù¡¢¤ä¤Ï¤êMSi.SDR¤ÎÊý¤¬ÌµÀþµ¡¤Ë¶á¤¤Ê¹¤³¤¨Êý¤Ç¤·¤¿¡£
¥¹¥Ú¥¢¥Ê¥½¥Õ¥ÈRSP-Spectrum Analyser¤â»î¤¹¡¢rtlsdr_scanner¤è¤ê»È¤¤¤ä¤¹¤¤¡£
60MHz°Ê²¼¤Ï¥Î¥¤¥º¥Õ¥í¥¢¤¬¾å¤¬¤ë¡£¤Þ¤¿¡¢24MHz¤È¤«ÆâÉô¥¥ã¥ê¥¢¡©¤¬¤¤¤¯¤Ä¤«½Ð¤¿¡£
ÀäÂÐÃͤˤϿôdB¤Î¸íº¹¤¬Í¤ë¤è¤¦¤À¤¬¡¢ÁêÂÐÃͤÏÀµ³Î¡£½½Ê¬¤Ë»È¤¨¤½¤¦¤Ç¤¹¡£
2021/10.Aliexpress¤ÇƱ¤¸IC¤ò»È¤Ã¤¿SDR´ðÈĤ¬·ã°Â¢â2600±ß¤Ç½Ð¤Æ¤¤¤¿¡£
Ãæ¹ñÀ½nanoVNA¤Î¼ÂÎÏ¡¡2019/8/18
Aliexpress¤ÇnanoVNA¤òÇã¤Ã¤¿¡£¹»Àµ¥¥Ã¥ÈÉÕ¤¤Ç50¡ð¤È°Â¤¤¡ª¡¢¤Ó¤Ã¤¯¤ê¡£
Â縵¤ÏComputer & RF Technology¤Ç¤¢¤ë¤¬´ðÈĤò¿·µ¬¤Ëµ¯¤³¤·¡¢¥Õ¥¡¡¼¥à¤â³ÈÄ¥¤·¤Æ¤¤¤ë¡£
¼þÇÈ¿ôÀßÄê¤Ï¿ô»ú¤òup/down¤¹¤ë¤Î¤ÏÌÌÅݤǡ¢¿ô»ú¤Î±¦¤ò²¡¤¹¤È¥Æ¥ó¥¡¼¤¬½Ð¤ë¡£
1-200MHz¤Ç¹»Àµ¤ò¹Ô¤Ã¤Æ¤«¤é¬¤Ã¤Æ¤ß¤¿¡£
| ¥À¥ß¡¼¥í¡¼¥É | 96¦¸ | 75¦¸ | 50¦¸ | 34¦¸ | 25¦¸ |
|---|---|---|---|---|---|
| nanoVNA-SWR * | 1.41 | 1.26 | 1.0 | 1.27 | 1.51 |
| nanoVNA-|Z| * | 70.8 | 63.1 | 51.0 | 39.1 | 31¡Á52.8¦¸ |
| nanoVNA-SWR | 1.94 | 1.54 | 1.03-1.1 | 1.44-1.4 | 1.97-1.92 |
| nanoVNA-|Z| | 97.2-95.6 | 77.4-71.6 | 51.7-51.2 | 34.5-34.8 | 25.4-26.8 |
| miniVNA-SWR | 1.92-1.97 | 1.49-1.51 | 1.03 | 1.58-1.69 | 2.25-2.43 |
| miniVNA-|Z| | 96-79 | 74.4-70.7 | 49.2 | 31.7-34 | 22.2-31.7¦¸ |
·¹¸þ¤Ï¹ç¤Ã¤Æ¤¤¤ë¤â¤Î¤Î¡¢miniVNA¤ä¼«ºî¥¢¥ó¥Æ¥Ê¥¢¥Ê¥é¥¤¥¶¤è¤ê¸íº¹¤¬Â¿¤¤¡ª¡©
¼èÀâ¤ò¤è¤¯ÆÉ¤à¤È¡¢CALÁ°¤ËReset¤·Á°¤ÎÃͤò¾Ã¤¹¤Èͤꡢ¤ä¤êľ¤·¤¿¤éÀµ³Î¤Ë¤Ê¤Ã¤¿¡£
50¦¸°Ê³°¤Î¥À¥ß¡¼¥í¡¼¥É¤ò»ý¤Ã¤Æ¤¤¤Ê¤¤¤ÈȽ¤ê¤Ë¤¯¤¤¡¢Í×Ãí°Õ¡£
¤Ê¤ª¡¢miniVNA¤Ï¸íº¹¤¬½Ð¤¿¤Î¤Ï145MHzÂӤΤߤǡ¢50MHzÂӰʲ¼¤ÏÀµ³Î¤Ç¤·¤¿¡£
¼«ºî¥é¥À¡¼·¿¥¯¥ê¥¹¥¿¥ë¥Õ¥£¥ë¥¿¤ò¬Äꤷ¤Æ¤ß¤ë¤È¡¢¥ê¥Ã¥×¥ë¤Ê¤ÉºÙÉô¤¬½Ð¤Æ¤¤¤Ê¤¤¡£
nanoVNA 20KHz XF-8-2a_nano.png¡¡¥Ç¡¼¥¿¿ô¤¬101¤À¤«¤é´Ý¤Þ¤ë¤Î¤«¡©
scanÉý¤ò¶¹¤¯¤¹¤ë¤È¸«¤¨¤Æ¤¤¿¤¬¡¢500ÅÀ¤ÎminiVNA¤Ë¤ÏµÚ¤Ð¤Ê¤«¤Ã¤¿¡£
nanoVNA 10KHz XF-8-2a_nano2.png¡¡
miniVNA 20KHz XF-8-2a.png
FT23-43,8t1:1¥È¥é¥ó¥¹ »¼ºÈæ³Ó
| Freq | 21MHz | 50MHz | 100MHz |
|---|---|---|---|
| nanoVNA | -0.05dB | -0.12dB | -0.3dB |
| miniVNA | -0.11 | -0.19 | -0.3 |
Áàºî¤¬¤ä¤äÌÌÅݤʤΤȡ¢ËÜÂΤΤߤǬÄê·ë²Ì¤ÎÊݸ¤¬½ÐÍè¤Ê¤¤¤Î¤¬¼åÅÀ¤«¡£
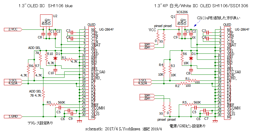
1.3·¿OLED¤ÈAVRÅ۵¡¡2019/4/23-
¼«ºîµ¡¤Îɽ¼¨LCD¤Ï»ëÌî³Ñ¤¬¶¹¤¯¾å¤«¤é¸«¤Ë¤¯¤«¤Ã¤¿¤Î¤Ç¡¢1.3"OLED(SSD1306)¤ËÊѹ¹¤·¤¿¡£
¤È¤³¤í¤¬¼þÇÈ¿ôɽ¼¨¤ò²¿²ó¤«¹Ô¤¦¤ÈAVR¤¬»ß¤Þ¤Ã¤Æ¤·¤Þ¤¦¡£
mega88¤Ç¤Ï¿ô²ó¡¢mega328¤Ç¤â¤¦¾¯¤·Ä¹¤¯¤Ê¤ë¤Î¤Ç»Ï¤á¤Ï¥á¥â¥ê¡¼¥ê¡¼¥¯¤òµ¿¤Ã¤¿¡£
¤µ¤é¤Ë¼þÇÈ¿ôɽ¼¨¤Ï½Ä16¥Õ¥©¥ó¥È¤À¤¬¡¢¤³¤ì¤ò½Ä8¥Õ¥©¥ó¥È¤Ë¤¹¤ë¤ÈOK¤Ê»ö¤âȽ¤Ã¤¿¡£
¥Õ¥©¥ó¥È¤â¥ë¡¼¥Á¥ó¤âÊ̤ε¡´ï¤Ç¤ÏÌäÂê¤Ê¤¤¤Î¤Ë¡©¡©
¥½¥Õ¥È¤ò¿§¡¹Ä´¤Ù¤¿¤¬¡¢Ô¿¤¬ÌÀ¤«¤Ê¤¤¤Î¤Ç¥Ð¥é¤·¤Æ¥Ö¥ì¥Ã¥É¥Ü¡¼¥É¤Ç»î¤¹¡£
¤¹¤ë¤ÈÅŸ»Å۵¤¬4.9V°Ê²¼¤ÇOK¡¢5V°Ê¾å¤ÇNG¤Ê»ö¤¬È½¤Ã¤¿!!
mega328¤Ï5.2V°Ê¾å¤ÇNG¡£¤½¤¦¤¤¤¨¤Ðư¤¤¤Æ¤ëµ¡´ï¤Ï3.3V·Ï¤Ç»È¤Ã¤Æ¤¿¡£
OLED´ðÈľå¤ÎPullup,R3,R4¤Î10K¤Ë¥Ñ¥éÉÕ¤±¤·5K¤Ë¤·¤Æ¤ß¤¿¡¢¢ªÊѤï¤é¤º¡£
Reg,Q1ÆþÎϤÎC9¤Ë4.7uF¥Ñ¥éÉÕ¤±¤·¤¿¡¢¢ªÊѤï¤é¤º¡£
Reg,Q1½ÐÎϤÎC2¤Ë1uF¤òÉÕ¤±Áý¤ä¤·¤¿¡¢¢ªÀ®¸ù¡ª5.5V¤Ç¤âOK¤Ë¤Ê¤Ã¤¿¡£
1.3"OLED´ðÈÄ¡¢Äɲøå¤Ç¤â¥ê¥Ã¥×¥ë¤ÏÂ礤¤¡£(¥Ö¥ì¥ÜÇÛÀþ¤Î±Æ¶Á¤¢¤ê)
¥æ¥Ë¥Ã¥È²óÏ©¿Þ¢ªOLED_13_SH1106.png¡¡
¤½¤¦¤¤¤¨¤ÐUG2864K¤Î»ÅÍͽñ¤Ç¤Ï¥³¥³¤Ï10uF¤À¤Ã¤¿¡£
1608¤Ç¤Ï¾®¤µ¤¤¤«¤éC1,C2¤¬ÍѰդ·¤ÆÍ¤ë¤Î¤Ë¡¢C2¤ò¥±¥Á¤Ã¤ÆÍÆÎÌÉÔ¤ˤʤäƤ롣¡¡
ATmega¤ÎI2C¤ÎViH¤Ï0.7Vcc¡¢5V»ÈÍÑ¡á3.5V¡£OLED¤Ï3.3V¤ËPullup¤Ê¤Î¤Ç¤ê¤Ê¤«¤Ã¤¿¡£
¥Þ¡¼¥¸¥ó¤Çư¤¤¤Æ¤¤¤¿½ê¤Ë¥ê¥Ã¥×¥ëÊÑÆ°¤Ç¸íưºî¤·¤¿¡£¤È¤¤¤¦»ö¤À¤í¤¦¡£
½Ä16¥Õ¥©¥ó¥È¤ÏÂÀ»ú¤Ê¤Î¤Çȯ¸÷¤¬Â¿¤¯ÅÅή¤âÁý¤¨¡¢¥ê¥Ã¥×¥ë¤âÂ礤¯¤Ê¤ë¡£
C2ÄÉ²Ã¤ÇÆ°¤¤¤Æ¤ë¤¬¡¢µ¬³ÊÂбþ¤Ï5V¤Ø47K¤ÇPullup¤·H=3.6V¤Ë¾å¤²¤ë¤Î¤¬´Êñ¤½¤¦¡£
¤Þ¤È¤á¤ë¤È´ÊÁǤˤʤ俤¬²¿Æü¤Ë¤âÅϤê¶ì¿´¤·¤Þ¤·¤¿¡£
PS.¤³¤ÎÌäÂ꤬¥é¥¸¥ª¥Ú¥ó¥Á¤µ¤ó¤Î¥Ö¥í¥°(0.96¥¤¥ó¥ÁOLED¤Î¹àÌÜ)¤Ç²òÀ⤵¤ì¤Æ¤¤¤Þ¤¹¡£
TJ-Lab AF-PSN ¤Î¥³¥ó¥Ñ¥¤¥ë¡¡2019/3/5-3/26
MPLAB X¤ÎºÇ¿·Ver¤Ï¥Ç¥«¥¤¤Î¤Ç¡¢Ver4.20¤ò¥À¥¦¥ó¥í¡¼¥É¡¢¤½¤ì¤Ç¤â670MB¡£
¥Ç¥«¥¤¤À¤±Í¤Ã¤Æ¥¤¥ó¥¹¥È¡¼¥ë¤ÈºÇ½é¤Îµ¯Æ°¤Ë¤È¤Æ¤â»þ´Ö¤¬³Ý¤«¤«¤Ã¤¿¡£
¥×¥í¥¸¥§¥¯¥È¤òºîÀ®¤·¡¢¥½¡¼¥¹¤È¥Ø¥Ã¥À¡¢¥é¥¤¥Ö¥é¥ê¤òÅÐÏ¿¤·¤Æ¥Ó¥ë¥É¤·¤¿¤¬¡£
¥¨¥é¡¼ ¡Öno rule to make target¡×¤Ë¤Ê¤Ã¤ÆÇº¤à¡¢¥°¥°¤ë¤È¿§¡¹¤Ê¸¶°ø¤¬Í¤ë¤é¤·¤¤¡£
¤½¤¦¤¤¤¨¤Ð¥×¥í¥¸¥§¥¯¥È¤Î¥Õ¥©¥ë¥À¤Ï¥Ç¥Õ¥©¥ë¥È¤Ç¡¢¥½¡¼¥¹¤ò²òÅष¤¿¥Õ¥©¥ë¥À¤È°ã¤¦»ö¤Ëµ¤¤¬ÉÕ¤¤¤¿¡£
- ¥×¥í¥¸¥§¥¯¥ÈAF-PSN¤ò¡¢dsPIC33FJ64GP802¤Ç¡¢¥Õ¥©¥ë¥À¤Ï¥Þ¥¤¥É¥¥å¥á¥ó¥ÈÆâ¤ËºîÀ®
- ¥Õ¥©¥ë¥ÀAF-PSN.X¤ËTJ-Lab¤ÎAF-PSN.zip¤ò²òÅà
- ¥×¥í¥¸¥§¥¯¥ÈAF-PSN¤Î sourcefille¤Ë Add existing item¤Ç main.c¤òÅÐÏ¿
- Header files¤Ë Add existing item¤Ç H_filter.h¤òÅÐÏ¿
- Libraries¤Ë Add library/Object file¤Ç \Microchip\xc16\v1.36\lib\libdsp_elf.a¤òÅÐÏ¿
- Clean and Build¤ò¼Â¹Ô¡¢BUILD SUCCESSFUL¤È½Ð¤ÆÀ®¸ù¡ª¡¡
MPLABX¤«¤édsPIC¤Ø¤Î½ñ¤¹þ¤ß¤âPickit3¸ß´¹µ¡¤Ç̵»ö¤Ë´°Î»¤·¤Þ¤·¤¿¡£
dsPIC33F_write.PNG
¤¢¤È¤Çµ¤¤¬ÉÕ¤¤¤¿¤¬²òÅष¤¿¥Õ¥©¥ë¥À¤Ë¥×¥í¥¸¥§¥¯¥È¤òºî¤ë¤Î¤¬°ìÈÌŪ¤«¤â¤·¤ì¤Ê¤¤¡£
dsPIC33FJ64GP802¤ÏÆÃħŪ¤Ê¥Þ¥¤¥³¥ó¤Ç³èÍѤǤ¤ë¤È¤¤¤¤¤Ê¤È»×¤¤¡¢½é´üÀßÄêÍѤÎMCC¤òÆþ¤ì¤¿¡£
MCCºÇ¿·Ver¤ÏMPLAB X Ver5.1¤È¤Ê¤Ã¤Æ¤¤¤¿¤Î¤Ç¡¢¤ä¤ä¸Å¤¤Ver3.55.1¤ò¥À¥¦¥ó¥í¡¼¥É¡£
²òÅष¤Æ.nbm¤ò¼è¤ê½Ð¤¹¡£MPLAB X¢ªTool¢ªPlugins¢ªDownloaded¢ªAdd Plugin¤Ç¥¤¥ó¥¹¥È¡¼¥ë¡£
¥×¥í¥¸¥§¥¯¥È¤òºîÀ®¤·MCC¤òµ¯Æ°¤¹¤ë¤È¡¢¥ï¡¼¥Ë¥ó¥°¤¬½Ð¤¿¡ª¡©¡©
PIC24¤Ë¤¹¤ë¤Èư¤¤¤¿¤Î¤Ç¡¢¤Û¤ó¤È¤ËdsPIC33FJ64GP802¤ÏÂбþ¤·¤Æ¤¤¤Ê¤¤¤è¤¦¤À¡¢»Äǰ¡£
MPLAB express¡¡2018/12/16
TJ Lab¤ÎAF PSN¤Ø¤ÎÂбþ¤ÇPickit3¸ß´¹ÉʤòÆþ¼ê¤·¤¿¡£
MPLAB X¤Ï¥µ¥¤¥º¤¬1Gbyte¶á¤¯¤¢¤ê¥À¥¦¥ó¥í¡¼¥É¤¬ÂçÊÑ¡¢¤½¤³¤ÇMPLAB express¤ò¹Í¤¨¤¿¡£
Pickit3¤ÏUSBÀܳ¤·¥¤¥ó¥¹¥È¡¼¥ë¤¬½ª¤ï¤êHID¤ÎUSBÆþÎϥǥХ¤¥¹¤Ë¤Ê¤ë¤Î¤ò³Îǧ¤·¤Æ¤ª¤¤¤¿¡£
MyMicrochip¤ËÅÐÏ¿¤¹¤ë¤È¡¢¥×¥í¥¸¥§¥¯¥È¤òºî¤ì¤ëÍͤˤʤä¿¡£
Pickit3¤ÎÍøÍѤˤϥ»¥¥å¥ê¥Æ¥£¾å¤Ë²¿¤«¤ÈÌäÂê¤ÊJava¤ò͸ú¤Ë¤¹¤ëɬÍפ¬¤¢¤ë¡£
MPLAB express¤Ë¥í¥°¥¤¥ó¤·USB Bridge Tool¤ò¥À¥¦¥ó¥í¡¼¥É¡£
Êݸ¤·¤¿USBBridge.jnlp¤ò¼Â¹Ô¤¹¤ë¤Ë¤Ïjavaws.exe¤Ø¤Î´ØÏ¢ÉÕ¤±¤¬É¬ÍפÀ¤Ã¤¿¡£
¤µ¤é¤Ë¥³¥ó¥È¥í¡¼¥ë¥Ñ¥Í¥ë¤ÎJava¤Ç¥»¥¥å¥ê¥Æ¥£¤Î¡Ö¥Ö¥é¥¦¥¶¡ÁJava¥³¥ó¥Æ¥ó¥Ä¡Á¡×¤ò͸ú¡£
Pickit3¤ò»Ø¤·¤Æ¤·¤Ð¤é¤¯ÂԤ俤é͸ú¤Ë¤Ê¤Ã¤¿¡£
¥×¥í¥¸¥§¥¯¥È¤òºîÀ®¤·¥Ç¥Ð¥¤¥¹¤òõ¤¹¤¬dsPIC33FJ64GP802¤¬½Ð¤Ê¤¤¡£
dsPIC33E¡Á¤·¤«¤Ê¤¤¡£¤³¤ì¤À¤Èº£¤ÏAF PSN¤Ë¤Ï»È¤¨¤Ê¤¤¡£»Äǰ¡£
¥¥ã¥é¥¯¥¿LCD ATD1602CP¡¡2018/10/31
I2C¥¥ã¥é¥¯¥¿LCD¥â¥¸¥å¡¼¥ë¡Ê16x2¡ËATD1602CP¤ò»î¤·¤¿¡£
Aitendo¤Î»ñÎÁ¤Ï»þ¡¹´Ö°ã¤¤¤¬Í¤Ã¤ÆÍ×Ãí°Õ¡¢¤³¤ì¤â3pin¤Î¥³¥ó¥Ç¥ó¥µ¤ÏVDD¤¬Àµ¤·¤¤¡£
6.7pin¤ÎÀßÄê¤ÇLCD¤Î¸þ¤¤ò¾å²¼µÕ¤Ë¤âÀßÄê¤Ç¤¤ÆÊØÍø¤À¡£
¥Ð¥Ã¥¯¥é¥¤¥È¤ÏÅŸ»Àþ¤ò¥Ô¥ó´Ö¤«¤é½Ð¤¹Íͤˤ·¤Ê¤¤¤È¤¦¤Þ¤¯ÉÕ¤«¤Ê¤¤¡£
½©·îÅŻҤÎAQM1602Y-RN-GBW¤ÈÈæ¤Ù¤ë¤È¡¢¿§¤¬¹õ¤¯»ëǧÀ¤â¹â¤¤¤¬Ê¸»ú¤Ï¾®¤µ¤¤¡£
ɽ¼¨Ì̤ÎÏȤò¸«¤ë¤È±Õ¾½¤Î¿§¤¬½Ð¤Æ¤¤¤ë¡£
¡¡
¡Ê¥Ð¥Ã¥¯¥é¥¤¥ÈÉÕ¤¤ÎAQM1602Y-FLW-FBW¤Ï¿§¤¬¹õ¤¤¤è¤¦¤À¡Ë¡¡
Å۵¥Ç¡¼¥¿¥í¥¬¡¼¡¡2018/6/20
12V¥Ð¥Ã¥Æ¥ê¡¼¤ÎÊüÅÅÆÃÀ¤ò¬¤ê¤¿¤¯¤Ê¤Ã¤ÆÅ۵¥Ç¡¼¥¿¥í¥¬¡¼¤ò»îºî¤·¤¿¡£
¥¨¥¯¥»¥ë¤Ç¥°¥é¥Õ²½¤¹¤ë»ö¤ò¹Í¤¨¤ë¤È¡¢Atmega328¤ÎEEPROM¡¢1KByte¤Ç½½Ê¬¡£
AD¤Ï10bit¤À¤¬¡¢µÏ¿¤ò8bit¤Ë°µ½Ì¤¹¤ì¤ÐµÏ¿ÅÀ¿ô¤Ï2ÇܤˤǤ¤ë¡£
¤½¤³¤Ç¡¢µÏ¿ÈϰϤò¾å1/4(10.7¡Á14.3V)¤Î¤ß¤È¤¹¤ë»ö¤Ë¤·¤¿¡£
¥½¥Õ¥ÈŪ¤Ë¤Ï¥¿¥¤¥Þ¡¼¤Ç¥¯¥í¥Ã¥¯¤òʬ¼þ¤·¤Æ£±Éäòºî¤ê¥«¥¦¥ó¥È¤·¤Æ¤¤¤¯¡£
»È¤Ã¤Æ¤ß¤ë¤È1000ÅÀ¤â¤¤¤é¤º¡¢500ÅÀ¤Ç¤â½½Ê¬¤À¤Ã¤¿¤Î¤Ç¡¢Atmega88¤ËÊѹ¹¡£
¥í¡¼¥¿¥ê¡¼¥¨¥ó¥³¡¼¥À¡¢¥¯¥ê¥Ã¥¯Í¡¡2017/2/7-2018/9/26
ºÇ¶á¡¢Çä¤Ã¤Æ¤ë¥í¡¼¥¿¥ê¡¼¥¨¥ó¥³¡¼¥À¤Ï¤Û¤È¤ó¤É¥¯¥ê¥Ã¥¯Í¤ÎÍͤǡ¢¤³¤ì¤Ë°Õ³°¤È¼ê¤³¤º¤Ã¤¿¡£
ʪ¤ÏALPS¤ÎEC11-L15¡£¤¤¤Ä¤â¤Î¥½¡¼¥¹¤Ç»î¤¹¤È£²¤Ä¥«¥¦¥ó¥È¤·¤¿¤ê¡¢¤·¤Ê¤«¤Ã¤¿¤ê¤ÈÉÔ°ÂÄê¡£
ȽÄê¾ò·ï¤ò¿§¡¹ÊѤ¨¤Æ¤ß¤¿¤¬Ë§¤·¤¯¤Ê¤¤¡£
¥ª¥·¥í¤Ç´Ñ»¡¤¹¤ë¤ÈAÁê¤ÎÊѲ½ÅÀ¤Ë¥¯¥ê¥Ã¥¯ÅÀ¤¬Íè¤Æ¤¤¤¿¡£¤Þ¤¿¡¢¥Á¥ã¥¿¥ê¥ó¥°¤â¿¤¯¸«¤é¤ì¤¿¡£
¥Á¥ã¥¿¥ê¥ó¥°Âкö¤Ë¿ômS¤Î°ìÃפòÆþ¤ì¤Æ¡¢AÁê¤ÎÊѲ½ÅÀ¤Ï¥«¥¦¥ó¥È¤·¤Ê¤¤»ö¤Ë¤·¤¿¡£
¤³¤ì¤Ç¡¢³µ¤Íưºî¤·¤¿¤¬»þ¡¹ÆÉ¤ßÍî¤È¤¹»ö¤â¤¢¤ê´°Á´¤Ç¤Ï¤Ê¤¤¡£
ABÁê¤Îưºîɽ¢ªEC11_AB.gif
2018/9.Ãæ¹ñÀ½¤Î¥í¡¼¥¿¥ê¡¼¥¨¥ó¥³¡¼¥À(¥¯¥ê¥Ã¥¯Í)¤ÇÆÉ¤ß¹þ¤á¤Ê¤¤Êª¤¬¤Ç¤Æ¤¤¿¡£
¡¡¥ª¥·¥í¤ÇÇÈ·Á¤ò¸«¤ë¤ÈÊÒ¦¤ÎL¶è´Ö¤¬¶Ëü¤Ëû¤«¤Ã¤¿¡£¡¡EC11ÇÈ·Á¡¡
¡¡È½Äê¤òHH¢ªHL/LH¤Î»þ¤ËÊѤ¨¤ÆÆÉ¤à¤è¤¦¤Ë¤·¤¿¡£
Aliexpress¤ÇÇã¤Ã¤¿¡¡2017/4/25¡Á
Á°¤«¤éµ¤¤Ë¤Ê¤Ã¤Æ¤¤¤¿¡¢Ãæ¹ñÄÌÈÎ¥µ¥¤¥È¤ÎAliexpress¤Ë¤È¤¦¤È¤¦¼ê¤ò½Ð¤·¤Æ¤·¤Þ¤Ã¤¿¡¢¡¢
Çã¤Ã¤¿¤Î¤Ï1.3·¿OLED-I2C(Çò)¥æ¥Ë¥Ã¥È¤Ç¹ñÆâ¤Ç¤ÏÇä¤Ã¤Æ¤¤¤Ê¤¤Êª¡£
ÊѤʽê¤ÏÈò¤±¤ë°Ù¤Ëɾ²Á¤Î¹â¤¤¥·¥ç¥Ã¥×¤òÁª¤ó¤ÇÃíʸ¡£
ȯÁ÷ÊýË¡¤ò»ØÄê¤Ç¤¤ëÅÀ¤¬Amazon¤è¤êÎɤ¤¤«¤â¡¢½ñÎ±Í¹ÊØ¤Ë¤Æ2½µ´Ö¤Ç̵»öÃ夤¤¿¡£
³«¤±¤Æ¤ß¤¿¤é¥æ¥Ë¥Ã¥È¤¬²¿¸Î¤«°ì¤Ä¿¤¯Æþ¤Ã¤Æ¤¤¤¿¡©¡©¥µ¡¼¥Ó¥¹¡©¡©´Ö°ã¤¤¡©»×¤ï¤Ì¥È¥¯¤ò¤·¤Æ¤·¤Þ¤Ã¤¿¡£
¼¡¤Î¤Ïe-EMS¤ÇÁ÷¤Ã¤Æ¤â¤é¤Ã¤¿¤é¡¢È¯Á÷¤·¤Æ¤«¤é£´Æü¤ÇÃ夤¤¿¡ªÁᤤ¡£
7/21-31.AliExpress Standard Shipping¤ÏÃÙ¤¤¤È¤¤¤¦É¾È½¤¬Â¿¤«¤Ã¤¿¤¬¡¢
¥·¥ó¥¬¥Ý¡¼¥ë·Ðͳ¤ÇRegistered Mail¤ÈƱ¤¸Æü¿ô¤ÇÃ夤¤¿¡£Í½ÁÛ³°¤ËÎɤ«¤Ã¤¿¡ª
IC¤ÎÊý¤ÏÄÉÀ×Èֹ椬̵¸ú¤Î¤Þ¤Þ¤Ç¡¢Ì䤤¹ç¤ï¤»¤¿¤éÃæ¹ñÀǴؤǻߤޤäƤë¤È¤¤¤¦¡¢¤É¤¦¤Ê¤ë¡©
¢ªÍ¸ú¤Ë¤Ê¤Ã¤¿¤¬Æ°¤«¤Ê¤«¤Ã¤¿¡¢¿ôÆü¸å¤ËÀǴؤ«¤éʤØÊÖÁ÷¤µ¤ì¤Æ¤¤¤¿¤ÈȽ¤Ã¤¿¡£
¡¡Íýͳ¤ÏÉÔÌÀ¡¢ºÆÁ÷¤¹¤ë¤È¸À¤Ã¤Æ¤ë¤¬ËÜÅö¤ËÃ夯¤«¡©¡©
¢ªº£Å٤ϽçÄ´¤Ë¿Ê¤ßÁ᤯Ã夤¤¿¡¢Ãíʸ¤«¤é25Æü³Ý¤«¤Ã¤¿»ö¤Ë¤Ê¤ë¡£
ƱIC¤òÊÌ¥·¥ç¥Ã¥×¤ËÃíʸ¤·¤¿¤é¡¢È¯Ãí¤«¤é10Æü(ȯÁ÷¡Á£·Æü)¤ÇÌäÂê¤Ê¤¯Ã夤¤¿¡£
¤ä¤Ï¤ê¡¢¾¯¤·²Á³Êº¹¤¬¤¢¤Ã¤Æ¤âɾ²Á¤Î¹â¤¤Å¹¤«¤éÇ㤦Êý¤¬Îɤ¤¤è¤¦¤À¡£
¤Þ¤¿¡¢Ê̤ÎIC¤Ï½Ð²Ù´ü¸Â¤®¤ê¤®¤ê¤ÇSmall Packet Plus¤ËÊѹ¹¤·¤ÆÁ÷¤Ã¤¿¤È¤¤¤¦¡¢
¤¿¤Ö¤óºß¸Ë¤Ï»ý¤Ã¤ÆÌµ¤¯¤ÆÄ´Ã£¤·¤Æ¤¤¤¿¤Î¤À¤í¤¦¡£Âç¾æÉס©
¢ªÈ¯Ãí¤«¤é20Æü(ȯÁ÷¡Á13Æü)¤ÇÃ夤¤¿¡£¥Û¥Ã
2018/4.µîǯ¡¢Çã¤Ã¤¿IC10¸Ä¤Î¤«¤é£²¤Ä¤âÉÔÎÉÉʤ¬½Ð¤¿¡£¤ä¤Ã¤Ñ¥ê¥¹¥¯¤¢¤ë¡¦¡¦¡¦
¡¡Æ±»þ´ü¤ËÇã¤Ã¤¿Registered Mail¤Ï7¡Á8Æü¤ÇÃ夤¤¿¤¬¡¢AliExpress Standard Shipping¤Ï14Æü¤â³Ý¤«¤Ã¤¿¡£
¡¡¥·¥ó¥¬¥Ý¡¼¥ë¥Ý¥¹¥È¤Ï17Track¤Ç¾ÜºÙ¤ÊÄÉÀפ¬½ÐÍè¤Ê¤¤¤è¤¦¤À¡£¤½¤ì¤Ë¤ä¤Ã¤Ñ¤êÃÙ¤¤¡£
2019/3.£±·î²¼½Ü¤ÎÃíʸ¤Çchina post¤¬ÅÓÃæ¤ÇÌá¤Ã¤Æ¤·¤Þ¤¤ÉÔÌÀ¤Ë¤Ê¤Ã¤¿¡£½ÕÀ᤬¤é¤ß¤«¤â¡£
¡¡¤Ä¤¤¤Ëopen dispach¤È¤·¤¿¡£Êݾڴü´Ö¤¬»Ä¤Ã¤Æ¤¤¤ë¤È¡¢¤Ò¤¿¤¹¤éÂԤĻö¤Ë¤Ê¤ëÍͤÀ¡£
¡¡Å¹¤¬¤´¤Í¤¿¤Î¤ÇÃíʸ¤«¤é70Æü°Ê¾å¤¿¤Ã¤Æ¤ä¤Ã¤ÈȽÃǤµ¤ì¤¿¡£Êֶ⤵¤ì¤ë¡¢¥è¥«¥Ã¥¿¡£
¡¡¤µ¤é¤ËÊ̤ΤÇÉÔ¤¬½Ð¤¿¡¢¤³¤Á¤é¤Ï¼¡¤ÎÃíʸ¤ÇƱº¤·¤Æ¤â¤é¤Ã¤¿¤éËô¥ß¥¹¤¬Í¤Ã¤¿¡£
¡¡¤³¤Ã¤Á¤ÎʤÎÂбþ¤ÏÎɤ«¤Ã¤¿¤ó¤À¤¬¡£¤³¤ì¤âopen dispach¡£
¡¡¤³¤Ã¤Á¤Ïº¹³Û¤Î°ìÉôÊÖ¶â¤Ç¿ôÆü¤Ç·èÄê¡£
Mbed¡¡STM32 Nucleo¡¡2017/9/17-
º£¤Þ¤Ç¼«ºî¤¹¤ë»þ¤Ë32Bit¥Þ¥¤¥³¥ó¤¬É¬ÍפʤΤ¬¤¢¤Þ¤ê̵¤¯¤Æ¼ê¤ò¤Ä¤±¤Æ¤¤¤Ê¤«¤Ã¤¿¤¬¡¢
µ¤¤¬¤Ä¤¤¤¿¤éMbedÂбþ¤Î¥Ü¡¼¥É¤¬³Æ¼Ò¤«¤é½Ð¤ÆÁý¤¨¤Æ¤¤¤¿¡£
Mbed¤Ï¥Ö¥é¥¦¥¶¤Ç»È¤¨¡¢³«È¯´Ä¶¤ò¥¤¥ó¥¹¥È¡¼¥ë¤·¤Ê¤¯¤Æ¤â»È¤¨¤ë¤Î¤¬Îɤ¤¡£
¥ª¥ê¥¸¥Ê¥ëLPC1768¤ËÈæ¤Ù°Â¤¤STM32 Nucleo¤ÇADC¤¬2¤Ä°Ê¾å¤Î¤òÄ´¤Ù¤Æ¤ß¤¿¡£
| ¥Ü¡¼¥É̾ | FLASH | SRAM | ADC | DAC | ½©·î | RS | ÆÃħ |
|---|---|---|---|---|---|---|---|
| STM32L476RG | 1M | 128K | 3 | 2 | \1900 | \1934 | |
| STM32F446RE | 512K | 128K | 3 | 2 | \1900 | \1835 | ¹â®180MHz |
| STM32F303RE | 512K | 80K | 4 | 2 | \1600 | \1418 | |
| STM32F334R8 | 64K | 12K | 2 | 3 | \1500 | \1386 | |
| STM32F103RB | 128K | 20K | 2 | 0 | \1500 | \1401 | |
| STM32F303K8 | 64K | 16K | 2 | 3 | \1600 | \1398 | 30pin¾®·¿ |
°Õ³°¤Ê»ö¤Ë¤Û¤È¤ó¤ÉRS¥³¥ó¥Ý¡¼¥Í¥ó¥Ä¤ÎÊý¤¬°Â¤«¤Ã¤¿¡¢º£²ó¤ÏSTM32F303RE¤òÃíʸ¡£
Ã夤¤¿¡¢Mbed¤Î¥Ú¡¼¥¸¤ËST-Link¤ò¥¢¥Ã¥×¥Ç¡¼¥È¤¹¤ë¤è¤¦¤Ë¤Èͤ俤ΤǹԤä¿¡£
Ver¤ÏV2.J28.M17¢ªV2.J28.M18¤À¤Ã¤¿¡¢¤ä¤é¤Ê¤¯¤Æ¤âư¤¤¤¿¤«¤â¤·¤ì¤Ê¤¤¡£
L¥Á¥«¤Î¥Æ¥¹¥È¤ò¥³¥ó¥Ñ¥¤¥ë¤·¤Æ¡¢F303RE¥É¥é¥¤¥Ö¤Ø¥³¥Ô¡¼¡¢LD1¤¬ÎФˤʤì¤Ð½ñ¤¹þ¤ó¤À¤é¤·¤¤¡£
LPC1768ÈǤȰ㤤¡¢¥É¥é¥¤¥Ö¤Ø¤Î¥Õ¥¡¥¤¥ë¤Ï»Ä¤é¤Ê¤¤¤è¤¦¤À¡£Æ°ºî³Îǧ¤Ï¤Ç¤¤¿¡£
AD2ch¤ÎƱ»þ¼è¤ê¹þ¤ß¤òÄ´ºº¡¢Mbed¤Ë¤Ï»ÈÍÑÎã¤ä¥é¥¤¥Ö¥é¥ê¤¬Ìµ¤¯ºÙÉô¤Îµ¡Ç½¤ò»È¤¦¤È¤³¤í¤¬¼å¤¤¡£
F446¤Çºî¤Ã¤¿¿Í¤Î¤¬Í¤Ã¤¿¤¬F303ÍѤΤÏ̵¤·¡£ÌÌÅݤʳ«È¯´Ä¶¤ÎƳÆþ¤¬É¬Íפ«¡©
½é´üÀßÄê¥Ä¡¼¥ë¤ÎSTM32CubeMX¤ò¥À¥¦¥ó¥í¡¼¥É¤·¤¿¡¢344MByte¤ÈÂ礤¤¡£Mac,LinuxÂбþ¤Î°Ù¤«¡©
¤Þ¤¿¡¢HAL¥é¥¤¥Ö¥é¥ê¤ÎSTM32cubeF3¤â130Mbyte¤ÈÂ礤«¤Ã¤¿¡£¶ìÏ«¤·¤½¤¦¤À¡¦¡¦¡¦
¥¹¥¤¥Ã¥Á¥µ¥¤¥¨¥ó¥¹PCB¡¡2017/4/20
¥¹¥¤¥Ã¥Á¥µ¥¤¥¨¥ó¥¹¤ÎPCBÀ½ºî¥µ¡¼¥Ó¥¹¤òÍøÍѤ·¤Æ¤ß¤¿¡£
¤³¤ì¤ÏFUSION¤Ø¤ÎÂå¹Ô¥µ¡¼¥Ó¥¹¤À¡¢FUSION¤ÇÀ½ºî¤·¤¿´ðÈĤò¥¹¥¤¥Ã¥Á¥µ¥¤¥¨¥ó¥¹¤ØÁ÷¤ê¡¢¤½¤³¤«¤éÆÏ¤¯¡£
¤½¤Î°Ù¡¢Ãæ¹ñ¤«¤é¤Î͹Á÷¤Ë¤è¤ëʶ¼º¤ò¿´ÇÛ¤·¤Ê¤¯¤ÆÎɤ¤¤·¡¢FUSION¤ÇFedex¤äDHL¤òÍøÍѤ¹¤ë¤è¤ê°Â¤¤¡£
°ì½µ´Ö°Ì¤Þ¤È¤á¤Æ¤¤¤ë¤è¤¦¤ÇÆü¿ô¤Ï¤«¤«¤ë¡£¤À¤¬Á°¤ËFedex»È¤Ã¤¿¤éÁҸˤ˰콵´ÖÃÖ¤«¤ì¤Æ¤¿»ö¤â¤¢¤Ã¤¿¡£
¤È¤Ë¤«¤¯¥·¥ó¥¬¥Ý¡¼¥ëÍ¹ÊØ¤ÈÃæ¹ñ͹À¯¤Ç°ì²ó¤º¤Äʶ¼º¤ò·Ð¸³¤·¤Æ¤ë¤Î¤Ç³Î¼Â¤Ê¤Î¤Ï¤¢¤ê¤¬¤¿¤¤¡£
À½ºîÃæ¤Î¿Ê¹ÔÏ¢Íí¤ÏFUSIONľ¤è¤ê¾¯¤Ê¤á¤À¡£
¤Þ¤¿FUSION¤Ç¤Ï°Û¼ï½¸¹ç¤òV¥«¥Ã¥È»ØÄê¤ÇÃíʸ¤Ç¤¤ë¤¬¡¢¥¹¥¤¥Ã¥Á¥µ¥¤¥¨¥ó¥¹¤Ç¤ÏƱ¼ï¤Î¤ß¡£
¤â¤Ã¤È¤â¡¢ÎÁ¶âŪ¤ËV¥«¥Ã¥È°Û¼ï½¸¹ç¤Ï£²¤Äºî¤ë¤Î¤ÈÊѤï¤é¤Ê¤¤¾ì¹ç¤â¤¢¤ë¡£
V¥«¥Ã¥È¤·¤Ê¤±¤ì¤Ð°Û¼ïÇÛÃÖ¤ÏOK¤À¡£
2019/1.ǯÌÀ¤±¤ËȯÃí¤·¤¿¤é16Æü¤ÇÃ夤¤¿¡£Ç¼´ü¤Ï²þÁ±¤µ¤ì¤Æ¤¤¤ëÍͤÀ¡£
¥¥ã¥é¥¯¥¿LCD AQM1602¤ÎÅ۵¡¡2017/4/7
I2CÀܳ¤ÎAQM1602/AQM0802¤Ï°ìÈÌŪ¤Ë¤Ï3.3V»þ¤ÏÆâ¢¥Ö¡¼¥¹¥¿¡¼¤ò»È¤¤¡¢5V»þ¤Ï»È¤ï¤Ê¤¤¡£
Æâ¢¥Ö¡¼¥¹¥¿¡¼»ÈÍÑ»þ¤ÎÅ۵ÈϰϤâ3.5V°Ê²¼¤È½ñ¤¤¤Æ¤ëʪ¤â¤¢¤ë¡£
¤À¤¬¡¢3.5¡Á4.5V¤ÏÆâ¢¥Ö¡¼¥¹¥¿¡¼¤ò»È¤ï¤Ê¤¤¤Èʸ»ú¤¬Çö¤¯¥³¥ó¥È¥é¥¹¥È¤¬¼è¤ì¤Ê¤¤¡£
À©¸æIC¤ÎST7032»ÅÍͽñ¤òÄ´¤Ù¤ë¤È¡¢Supply Voltage for LCD Drive¤Î¿Þ¤ËVdd=2.7-3.5V¤Èͤä¿¡£
¤À¤¬¡¢Åŵ¤ÅªÆÃÀ¤Îɽ¤Ï2.7¡Á4.5V¤È4.5¡Á5.5V¤Î2¤Ä¤¬¤¢¤ê¡¢3.5V¤Î¶¤Ï¤Ê¤¤¡£
¤Ê¤Î¤Ç¡¢Æâ¢¥Ö¡¼¥¹¥¿¡¼»ÈÍÑ»þ¤¬2.7¡Á4.5V¤Ç¡¢Ì¤»ÈÍѤ¬4.5¡Á5.5V¤«¤È»×¤Ã¤Æ¤¤¤¿¡£
¤À¤¬¡¢¤è¤¯¸«¤¿¤é4.5¡Á5.5V¤ÎÊý¤Ë¤âUse internal Booster¤È½ñ¤¤¤ÆÍ¤ë¤Ç¤Ï¤Ê¤¤¤«¡ª
À©¸Â¤ÏVdd¤¬5.5V°Ê²¼¤ÈVlcd(Vo)¤Î7V°Ê²¼¤Î¤ß¤ÎÍͤÀ¡£
AQM1602¤ò¬¤Ã¤Æ¤ß¤ë¤È¡¢Vout¤ÏVDD¤Î2Çܤè¤ê¾¯¤·Ä㤯¡¢Vo¤Ï¥³¥ó¥È¥é¥¹¥È¤ÇÊѤï¤ë¡£
Vout¤¬7VĶ¤Ç¤â¡¢Vo¤ÏÆÉ¤á¤Ê¤¤¤Û¤É¿¿¤Ã¹õ¤Ë¤·¤Ê¤¤¸Â¤ê7V¤òͤ¨¤ë»ö¤Ï¤Ê¤«¤Ã¤¿¡£
¤ª¤½¤é¤¯¥³¥ó¥È¥é¥¹¥È¾å¸ÂÃͤÀ¤ÈVout¢âVo¤È¤Ê¤ê¡¢7V¤Î¸µ¤Ï3.5V¤È¸À¤¦»ö¤Ç¤Ï¤Ê¤¤¤«¤È»×¤¦¡£
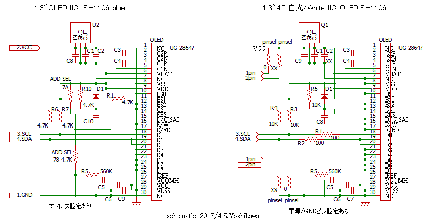
Ãæ²ÚOLED 1.3·¿ SH1106¡¡2017/3/26-5/1
Amazon¤ÇHiletgo¤Î1.3·¿OLED¤¬°Â¤«¤Ã¤¿¤Î¤ÇÆþ¼ê¤·»î¤·¤Æ¤ß¤¿¡£
ÂÞ¤ËB¤È½ñ¤¤¤Æ¤¢¤ê·ù¤Êͽ´¶¡¢¼Ì¿¿¤È´ðÈĤ¬°ã¤¦¡¢VCC¤ÈGND¥Ô¥ó¤¬µÕ¡¢Â礤µ¤â¾¯¤·°ã¤¦¡£
SH1106¤È¤¤¤¦¤³¤È¤Ç¡¢MCS¤Î¥Õ¥©¡¼¥é¥à¤òµù¤Ã¤ÆSSD1306¥é¥¤¥Ö¥é¥ê¤ò²þÊѤ·¤Æ¤ß¤ë¤¬É½¼¨¤·¤Ê¤¤¡£
ÆâÉôDCDC¤¬Æ°¤¤¤Æ¤¤¤Ê¤¤¤Î¤Ç²óÏ©¿Þ¤òµ¯¤³¤·¤Æ¤ß¤¿¡£ÆÃ¤ËÊѤʤȤ³¤í¤Ï̵¤¤¡£
OLED_13_SH1106.PNG
¸¡º÷¤·¤Þ¤¯¤Ã¤¿·ë²Ì¡¢Arduino¥é¥¤¥Ö¥é¥ê(MicroLCD)¤¬¸«¤Ä¤«¤Ã¤¿¤Î¤Ç¡¢Arduino¤Ç»î¤¹¤È¡¢
ɽ¼¨¤·¤¿¡¦¡¦¡¦¥Ö¥ë¡¼¤Ç¤·¤¿¡¢¼Ì¿¿¤ÏÇò¤À¤Ã¤¿¤Î¤Ë¡ª¤³¤ì¤¬Ãæ²ÚÉʼÁ¤«¡¦¡¦¡¦
bascomforum.de¤Ë¥é¥¤¥Ö¥é¥ê¤¬Í¤Ã¤¿¡¢¤³¤³¤Ï¥À¥¦¥ó¥í¡¼¥É¤¹¤ë¤Ë¤ÏÅÐÏ¿¤¬É¬ÍפǤ·¤¿¡£
»î¤¹¤È¡¢LCDAT¤ÈShowpic¤ÏOK¡£¤À¤¬¡¢Glcddata¤ÇÁ÷¤ë¤ÈºÇ²¼¹Ô¤·¤«É½¼¨¤·¤Ê¤¤¡¦¡¦
¥é¥¤¥Ö¥é¥ê¤Î½é´ü¥Ç¡¼¥¿¤ËÊѤʽ꤬ͤ俤Τǡ¢½¤Àµ¤·¤¿¤¬ÊѤï¤é¤Ê¤¤¡£
¥Ú¡¼¥¸(¹Ô)»ØÄê¡ÖGLCDcmd B0¡ÁB7¡×¤òÄɲä·¤¿¤éÁ´É½¼¨¤¹¤ëÍͤʤä¿¡¢¤¬¥º¥ì¤Æ¤¤¤¿¡£
¤µ¤é¤Ë¥»¥°¥á¥ó¥È¥ê¥»¥Ã¥È¡ÖGLCDcmd 01¡¢GLCDcmd 10¡×ÄɲäǤä¤Ã¤ÈÀµ¤·¤¯É½¼¨¤·¤¿¡£
»ÅÍͽñ¤òSSD1306¤ÈÈæ¤Ù¤ë¤È̵¤¤¥³¥Þ¥ó¥É¤âͤ뤷¡¢SH1106¤ÏSSD1306´Ê°×ÈǤʤΤ«¤â¡£
¥µ¥ó¥×¥ë¥½¡¼¥¹¢ªOLEDsh1106.zip
4/27.º£Å٤ΤÏÅŸ»/GND¥Ô¥ó¤ÎÀßÄ꤬ͤë¤â¤Î¤À¤Ã¤¿¡¢¾åµ¤Î²óÏ©¿Þ¤ò¹¹¿·¡£À£Ë¡¤âÈù̯¤Ë°ã¤¦´¶¤¸¡£
¡¡ÅŸ»¤Ë·ë¹½¤Ê¥Î¥¤¥º¤¬ºÜ¤Ã¤Æ¤¤¤¿¡¢SSD1306¤Ç¤Ï10uF¤À¤Ã¤¿¤Î¤Ë¥æ¥Ë¥Ã¥È¤Î¥Ñ¥¹¥³¥ó¤Ï¾®¤µ¤¤¡£
¡¡¤É¤Á¤é¤â̵Àþµ¡¤ËÆþ¤ì¤ë¤È¥Î¥¤¥º¸»¤Ë¤Ê¤ê¤½¤¦¤Ê´¶¤¸¡£
2018/5.Aliexpress¤ËOLED¤òºÆÃíʸ¤·¤¿¤éÁ°²ó¤È°ã¤¦SSD1306¤¬Í褿¡£
¡¡¤À¤¬¡¢SSD1306ÍѤΥ½¥Õ¥È¤Çư¤«¤Ê¤¤¡¢SH1106ÍÑ¤ÇÆ°¤¤Þ¤·¤¿¡£
¡¡¥é¥Ù¥ë¤Î´Ö°ã¤¤¤À¤Ã¤¿¤è¤¦¤Ç¤¹¡£¤è¤¯¸«¤ì¤ÐÊݸ¡¼¥È¤Î¿§¤ÏÀÖ¤ÇSH1106¤À¤Ã¤¿¡£
OLED UG-2864KSWL¡¡2017/2/2
aitendo¤ÎOLED1306-13SMD¤òÇã¤Ã¤Æ¤ß¤¿¡¢¥Ñ¥Í¥ë¤Ï1.3·¿¤ÎUG-2864KSWL¤Î¥Ñ¡¼¥Ä¥»¥Ã¥È¤Ç¤¢¤ë¡£
ÀâÌÀ½ñ¤Ï¤Ê¤¤¤·¡¢¥Û¡¼¥à¥Ú¡¼¥¸¤Î²óÏ©¿Þ¤ÏÃͤ¬Æþ¤Ã¤ÆÌµ¤¤¡¢»ñÎÁÉÔ¤À¡£
»ÅÍͽñ¤ÈÃëÌëµÕž¹©ºî¼¼¤Îµ»ö¤ò»²¹Í¤ËÁȤßΩ¤Æ¤¿¡¢¤³¤Î¥¥ã¥ê¡¼´ðÈĤϻȤ¤¤Ë¤¯¤¤¡£
- ̵Â̤ËÂ礤¤¡¢¤â¤Ã¤È¾®·¿¤Ë¤·¤Æ¤Û¤·¤¤
- ¥Ñ¡¼¥Ä¤¬3216¤Ç¤¢¤ëɬÍפʤ·¡¢¤É¤¦¤»¥Õ¥ì¥¤Ï0.7mm¥Ô¥Ã¥Á¤ÇȾÅÄÉÕ¤±
- ¥Õ¥ì¥È¾ÅÄÉÕ¤±»þ¤ËÉôÉʤ¬¼ÙËâ¤Ë¤Ê¤Ã¤¿¡¢Î¾ÌÌ´ðÈĤÀ¤«¤é΢Ì̤ˤ·¤ÆÍߤ·¤«¤Ã¤¿
- ¥Ñ¥Í¥ë°ÌÃÖ¤¬Ãæ±û¤ËÍè¤Ê¤¤
- VCC¥é¥ó¥É¤Ë¥Ñ¥¿¡¼¥ó¤¬Íè¤Æ¤¤¤Ê¤¤¡¢ÆâÉôDCDC¤ò»ÈÍѤ·¤Ê¤¤»þ¤Ë¥¸¥ã¥ó¥Ñ¡¼Í×
BASCOM¤ÎSSD1306-i2c¥é¥¤¥Ö¥é¥ê¤ò»ÈÍÑ¡¢Res¤Î¥ê¥»¥Ã¥Èưºî¤òÄɲä·¤¿¤é̵»ö¤Ëư¤¤¤¿¡£
¼«È¯¸÷¤Ê¤Î¤Ç¾®¤µ¤¤Ê¸»ú¤â¥Ï¥Ã¥¥ê¸«¤¨¤Æ¤¤¤¤´¶¤¸¡ª
¤¿¤À¡¢Line¤Ê¤É¤Î³¨²è¥³¥Þ¥ó¥É¤¬»È¤¨¤Ê¤¤¤Î¤Ç¡¢¹©Éפ¬É¬Íפ½¤¦¤À¡£
¥Ñ¥Í¥ë²óÏ©¿Þ¡¢¥Þ¥¤¥³¥ó²óÏ©¿Þ¡¢¥µ¥ó¥×¥ë¥½¡¼¥¹UG2864K.bas¡¢¼Ì¿¿
2/11.GLCDDATA¤ÇÉÁ¤¯»þ¡¢CLS¤Ç¾Ãµî¤·¤Æ¤â°ÌÃÖ¤¬Ìá¤é¤Ê¤«¤Ã¤¿¡£
¡¡LCDAT 6,121,"E" ¤ÈºÇ¸å¤Î½ê¤Ø½ñ¤¯¤È½é´üÅÀ¤ØÍè¤Þ¤·¤¿¡£¤Ê¤ª¡¢GLCDCMD¤Ï»È¤¨¤Æ¤¤¤Ê¤¤¡£
·ã°Â¤ÊAVRasp¥é¥¤¥¿¡¡2016/12/13-2017/3/4
Amazon¤ÇAVRasp¥é¥¤¥¿¤¬·ã°Â¤Ç½Ð¤Æ¤¤¤ë¤Î¤ò¤ß¤Ä¤±¤¿¡¢¥¢¥À¥×¥¿ÉÕ¤±¤Æ355±ß¡ª¡¡
HiLetgo 51 AVR Atmega ¥×¥í¥°¥é¥àUSBasp¡¢HiLetgo 10¥Ô¥ó to 6¥Ô¥ó ¥¢¥À¥×¥¿¡¼¥×¥ì¡¼¥È AVRISP
Ãæ¹ñȯÁ÷¤ÇÄÉÀפ¬¿Ê¤Þ¤º¿´Çۤˤʤ俤¬11Æü¤«¤«¤Ã¤ÆÅþÃå¡£
¤Á¤ã¤ó¤Èư¤¤¤¿¡¢¤¿¤À¥Õ¥¡¡¼¥à¤¬¸Å¤¯¥¢¥Ã¥×¥Ç¡¼¥È¤·¤¿Êý¤¬Îɤ«¤Ã¤¿¡£
¤ä¤êÊý¤Ï¡¢AVRasp¤ÎJP1¤ò5V¤Ë¤¹¤ë¡¢JP2¤ò¥·¥ç¡¼¥È¡¢5V¤ò¶¡µë¡£
¥Ö¥ì¥Ã¥É¥Ü¡¼¥ÉÍÑ¥¸¥ã¥ó¥Ñ¡¼¤Ç¡¢AVRasp¤ÈAVRISPmk2¤ÎISPü»Ò¤ò1:1¤ÇÀܳ¡£
AVRstadio¤«¤é¡Öusbasp.atmega8.2011-05-28.hex¡×¤ò½ñ¤¹þ¤ß¡£
2017/1/7.¤½¤Î¤Þ¤Þ¤Ç¤Ï¿·ÉÊChip¤Ë½ñ¤¹þ¤á¤Ê¤¤»ö¤¬È½¤Ã¤¿¡¢JP3¤ò¥·¥ç¡¼¥È¤·¤¿¤é½ÐÍ褿¡£
®ÅÙÀÚÂØ¤Ç½ñ¤¹þ¤ß¤âÃÙ¤¯¤Ê¤Ã¤¿¤Î¤Ç¡¢JP3¤ÏÀÚ¤êÂØ¤¨¤é¤ì¤ëÍͤˤ·¤¿Êý¤¬Îɤµ¤½¤¦¡£
°ìÅٻȤä¿AVR¤ò½ñ¤´¹¤¨¤ë»þ¤ÏWrite¤Ç¤Ï¥¨¥é¡¼¤Ë¤Ê¤ë¡¢Erase-Write¤ÇOK¡£
3.3V¤ÇBASCOM¤«¤éFuseBit¤ÎCLK¤òÊѤ¨¤è¤¦¤È¤·¤¿¤é¥¨¥é¡¼¤¬½Ð¤ÆISPÉÔǽ¤Ë¤Ê¤Ã¤¿¡¦¡¦(T_T)
²óÏ©¤òÄ´¤Ù¤Æ¤ß¤¿¤éATmega8¤Ï5V¤Ç¡¢ISP¿®¹æÀþ¤ËÊݸî¤ÎÄñ¹³¤¬Æþ¤Ã¤Æ¤¤¤Ê¤¤¡£
5V/3.3V¶¡µë¤Î¥¸¥ã¥ó¥Ñ¡¼¥Ô¥ó¤¬¤¢¤Ã¤Æ´ª°ã¤¤¤·¤ä¤¹¤¤¤¬¡¢3.3V¤Ø¤Î»ÈÍÑ¤Ï´í¸±¤À¡£
ISP¥Ñ¥¿¡¼¥ó¤ò¥«¥Ã¥È¤·¤Æ4.7K¦¸¥Á¥Ã¥×Äñ¹³¤òÄɲá¢3.3V¤Ç¤Î¥é¥Ã¥Á¥¢¥Ã¥×ËɻߤϤ³¤Î°Ì¤¬É¬Íפ餷¤¤¡£
Áê¼ê¤Îü»Ò¤¬Ì¤»ÈÍÑ(open)¤Ê¤éÇÈ·ÁŪ¤Ë¤âÌäÂê¤Ê¤µ¤½¤¦¤À¤Ã¤¿¡£
ATmega8L¤Ç¤ÏÂ礤¹¤®¤¿ÍͤÇ2.2k¦¸¤Ë¤·¤Þ¤·¤¿¡£
º£ÅÙ¤ÏÊ̤ΤòÍê¤ó¤À¤é¡¢China post¤ÎÄÉÀפ˺ܤë¤Þ¤Ç10Æü¤â³Ý¤«¤Ã¤¿¡£Ç¯ËöµÙ²Ë¤Ïº®»¨¤¹¤ë¤é¤·¤¤¡£
¤½¤Î¸å¡¢40Æü°Ì¤Þ¤ÇÂԤ俤¬Ã夫¤Ê¤¤¤Î¤Ç¡¢ÊÖ¶â½èÍý¤·¤Æ¤â¤é¤Ã¤¿¡£
R820T2¤ÇSDR¡¡2016/4/8
º£¤´¤í¤À¤¬¡¢USB¥Á¥å¡¼¥ÊR820T2¤òÆþ¼ê¤·¤Æ¡¢¥½¥Õ¥È¥¦¥¨¥¢¥é¥¸¥ª¤ò¤ä¤Ã¤Æ¤ß¤¿¡£
- AIRSPY¤ÎDownload¤«¤ésdrsharp-x86.zip¤òÆþ¼ê
- ŬÅö¤Ê¥Õ¥©¥ë¥À¤Ë²òÅष¡¢install-rtlsdr.bat¤ò¼Â¹Ô
- DOSÁ뤬³«¤¡¢²¿¤«¥À¥¦¥ó¥í¡¼¥É¤·¤Æ¤¤¤ë¡£¤À¤¤¤Ö»þ´Ö¤¬³Ý¤«¤Ã¤¿¤¬ÊĤ¸¤ë¤Þ¤ÇÂÔ¤Ä
- R820T2¤òÁÞ¤·¤Æ Zadig.exe ¤ò¼Â¹Ô
- bulk in interface ¢ª win USB ¤ò¥¤¥ó¥¹¥È¡¼¥ë¡¡(libUSB-Win32¤Ç¤ÏNG,Win7)
- SDRSharp.exe¤òµ¯Æ°¡¢Source¤ÇRTL-SDR(USB)¤òÀßÄꤷưºî¤·¤Þ¤·¤¿¡£
¥¹¥Ú¥¢¥Ê¥½¥Õ¥È¤ÏŽ¢GUI for rtl_powerŽ£¤ÎÍøÍѤÇÀßÄꤷ¤Æ¤ß¤¿
- rtlsdr_scanner-setup-win32.exe¤ò¥À¥¦¥ó¥í¡¼¥É¤·¼Â¹Ô¤·¤¿¤é¡¢important.txt¤¬Íè¤Æ½ª¤ï¤Ã¤¿¡£
- ¤³¤ì¤ÎÃæ¤Î¥ê¥ó¥¯¤«¤é¡¢rtlsdr_scan-windows-32bit.exe ¤ò¥À¥¦¥ó¥í¡¼¥É
- rtlpan.exe¡¢RelWithDebInfo.zip¡¢RTLUSB.zip¤ò¥À¥¦¥ó¥í¡¼¥É
- zip¤Ïx32¡¢32bit¤ò²òÅष exe¤È¶¦¤ËŬÅö¤Ê¥Õ¥©¥ë¥À¤ËÆþ¤ì¤¿¡£
- rtlpan.exe¤ò¼Â¹Ô¤¹¤ë¤¬¡¢²¿¤«¥á¥Ã¥»¡¼¥¸¤¬½Ð¤Æ½ª¤ï¤Ã¤Æ¤·¤Þ¤Ã¤¿¡©¡©
- rtlsdr_scan-windows-32bit.exe ¤ò¼Â¹Ô¤·¤¿¤éưºî¤·¤¿¡£
- FMÊüÁ÷¤Î76-96MHz¥¹¥¥ã¥ó¤¬Ìó30ÉäǤ·¤¿¡£
¼þÇÈ¿ô¤¬50ppm¤Û¤É¥º¥ì¤Æ¤¤¤¿¤Î¤Ç¡¢ÆâÉô¤ÎXtal¤Ë6pF,8pF¤òÄɲä·¹ç¤ï¤»¤Þ¤·¤¿¡£
¡¡¡Ê10pF,8pF¤Ç¤Ï²¼¤¬¤ê¤¹¤®¤ëÍͤǤ·¤¿¡Ë
´ðÈÄÀ½ºî¥á¡¼¥«¡¼¡¡2013/2/16
Àκî¤Ã¤¿Audio¥¢¥ó¥×¤òºÇ¶á¤ÎIC¤ËÆþ¤ìÂØ¤¨¤Æ¸«¤è¤¦¤È¡¢´ðÈĤòÀ߷פ·¤¿¡£
Olimex¤ò»È¤ª¤¦¤«¤È¸«¤¿¤é¡ÖPCBÀ½ºî¥µ¡¼¥Ó¥¹µÙ»ß¤Î°ÆÆâ¡×¤¬¤Ç¤Æ¤¤¤¿¡£
Ãíʸ¤¬Â¿¤¹¤®¤ÆÎ¯¤ê¤¹¤®¤¿¤è¤¦¤À¡£
¤½¤ì¤Ç¡¢PCBCART¤ØÃíʸ¤·¤¿¤Î¤À¤¬¡¢Ã夯¤¤¤¿¥á¡¼¥ë¤òÎɤ¯¸«¤¿¤é¡¢Ç¼´ü¤¬24Æü¤â³Ý¤«¤Ã¤Æ¤¤¤¿¡£
Ãæ¹ñ¤À¤«¤é¡¢½ÕÀáµÙ¤ß¤Ë¥Ï¥Þ¤Ã¤¿¤Î¤«¡©µÕ»»¤¹¤ë¤ÈµÙ¤ß¤Ï2½µ´Ö¡©¡©
Ǽ´ü¤Ë±Æ¶Á¤¹¤ëĹ´üÏ¢µÙ¤Ï½ñ¤¤¤Æ¤ª¤¤¤Æ¤Û¤·¤¤¤â¤Î¤À¡£
Ãíʸ»þ¤ËPaypal¤Ç»Ùʧ¤Ã¤Æ¤·¤Þ¤Ã¤¿¤«¤é¡¢ÂԤĤ·¤«Ìµ¤¤¤«¡¦¡¦¡¦
Fusion PCB Service ¤È¤«¡¢Silver Circuits ¤ò»È¤Ã¤Æ¤ëÎã¤â¤¢¤ë¤·¡¢¼¡²ó¤ÏÊ̤«¤Ê¡£
2/26.Fusion PCB¤ËÃíʸ¤·¤Æ¤ß¤¿¡£¼ê½ç¤¬¾¯¤·ÊѤï¤Ã¤¿¤è¤¦¤Ç¡¢¥¬¡¼¥Ð¡¼¥Õ¥¡¥¤¥ë¤ÏÃíʸ»þ¤ËUP¡£
¡¡¡Ö´ðÈÄ¥·¥ë¥¯¤ËÃíʸÈÖ¹æ¤òÆþ¤ì¤ë¡×¤È¤¤¤¦¤Î¤Ï̵¤¯¤Ê¤Ã¤¿¤è¤¦¤À¡£
3/5.PCBCART¤«¤é¤ä¤Ã¤ÈÆÏ¤¤¤¿¡¢´Ý¡¹°ì¥ö·î³Ý¤«¤Ã¤¿»ö¤Ë¤Ê¤ë¡£ÀµÄ¾¤³¤ì¤Ç¤Ï»È¤¨¤Ê¤¤¡£
3/7.Fusion PCB¤«¤éÁ÷¤Ã¤¿¤È¤¤¤¦Ï¢Íí¤¬Í褿¡¢°Â¤¤¤Î¤Ë®¤¤¡ª¤¿¤À¡¢Í¹Á÷¤Ê¤Î¤Ç¤â¤¦¾¯¤·ÂÔ¤Á¡£
¡¡3/15.£¸Æü¤ÇÃ夤¤¿¡£10Ëç¤Ô¤Ã¤¿¤ê¤Ç½ÐÍè±É¤¨¤âÌäÂê̵¤µ¤½¤¦¡£
2014/12/13.º£²ó¤ÏȯÁ÷¤ËEMS¤ò»È¤Ã¤¿¡¢´ðÈÄ´°¤Þ¤Ç£¶Æü¡¢Í¢Á÷£´Æü¤ÇÃ夤¤¿¡£
2016/4/30.Fusion PCB¤Ç´ðÈĤòºî¤Ã¤ÆRegistered Air Parcel¤ÇÁ÷¤Ã¤Æ¤â¤é¤Ã¤¿¤¬°ì¥ö·î¤¿¤Ã¤Æ¤âÆÏ¤«¤Ê¤¤¡£
¡¡ÀΤÎÁᤫ¤Ã¤¿»þ¤ÏHongkong post¤Çº£¤ÏSingapore post¡¢ÄÉÀ×No¤òÆþ¤ì¤Æ¤â½Ð¤Ê¤¤¡£
¡¡¥æ¡¼¥¶¡¼¥µ¥Ý¡¼¥È¤ËÁêÃ̤·¤¿¤é¡¢Ê¶¼º¤È¤¤¤¦»ö¤ÇÂбþ¤·¤Æ¤¯¤ì¤¿¡£´Ý»¤Ë¤Ê¤é¤º½õ¤«¤Ã¤¿¡£
¡¡°Â¤¤¤±¤ÉÍ¹ÊØ¤Ï»ß¤á¤Æ¡¢EMS¤Ê¤É¤Ë¤·¤¿Êý¤¬Îɤµ¤½¤¦¤À¡£
2017/12.ÆüËܸ쥵¥¤¥ÈFusionpcb.jp¤¬½ÐÍè¤Æ¡¢·ã°Â$7.9¥»¡¼¥ë¤ò»Ï¤á¤¿¤Î¤ÇÍê¤ó¤Ç¤ß¤¿¡£
¡¡¥·¥ó¥¬¥Ý¡¼¥ëPost¤È¤¤¤¦¤Î¤¬µ¤¤Ë¤Ê¤Ã¤¿¤¬¡¢°ì¤ÄÌܤÏȯÁ÷¤«¤é19Æü¤ÇÅþÃå¡£
¡¡¤À¤¬¡¢2¤ÄÌܤÎ12·î½é½ÜȯÁ÷¤¬ÄÉÀ×Èֹ椬¾Ã¤¨¤Æ¤·¤Þ¤¤Ã夫¤Ê¤¤¡¦¡¦»þ´ü¤â°¤«¤Ã¤¿¤«¡£
¡¡Ê¶¼º¤È»×¤Ã¤Æ¤¤¤¿¤é¡¢¤Ê¤ó¤È1¥ö·î¤¿¤Ã¤ÆÄÉÀפ¬Éü³è¡ª¤½¤Î¸å¡¢ÅþÃå¡£37Æü³Ý¤«¤Ã¤¿¡£
¡¡¼¡¤ÎÃíʸ¤ÏDHL¤ò»È¤Ã¤Æ¤ß¤¿¡¢Á÷ÎÁ19$¤«¤«¤Ã¤¿¤¬1/5½Ð²Ù¢ª1/9Ãå¤ÈÀµ¤Ë¥¨¥¯¥¹¥×¥ì¥¹¤À¤Ã¤¿¡ª
2019/1.OCSÇÛÁ÷9.9$¥¥ã¥ó¥Ú¡¼¥ó¤ò¤ä¤Ã¤Æ¤ë¤Î¤ÇÃíʸ¤·¤Æ¤ß¤¿¡£
¡¡OCS¤È¤ÏANA·Ï¤Ç¹ñÆâÇÛÁ÷¤Ïº´ÀîµÞÊØ¤Ç¤·¤¿¡£½Ð²Ù¤«¤é3Æü¤ÇÃ夤ޤ·¤¿¡ªÁᤤ¡ª
2020/8.¿··¿¥³¥í¥Ê¤Î±Æ¶Á¤ÇFusionPCB¤Î5Ëç$7.9/$12.9¤¬µÙ»ß¤·¤¿¡£»Äǰ¡£
¡¡ÇÛÁ÷¤ËJapanDirectLine¤¬²Ã¤ï¤Ã¤¿¡£OCS¤è¤ê°Â¤¤¡£ÄÉÀפϺ´ÀîµÞÊØ¤Ç¹ñÆâ¤ËÆþ¤ë¤Þ¤Çʬ¤«¤é¤Ê¤¤¡£
¡¡JDL¤Ï£±²óÌܤÏÌó1½µ´Ö¤ÇÃ夤¤¿¤¬¡¢£²²óÌܤÏÁ÷¤êÀè³Îǧ¤¬Íè¤Æ32Æü¤â³Ý¤«¤Ã¤¿¡£OCS¤ÎÊý¤¬³Î¼Â¡£
BASCOM-AVR¤Î¹ØÆþ¡¡2012/10/21
¡¡BASCOM-AVR¤ò¹ØÆþ¤¹¤ë»ö¤Ë¤·¤¿¡¢¹ñÆâÂåÍýʤè¤êľÀܤÎÊý¤¬°Â¤¤¤«¤È¤ä¤Ã¤Æ¤ß¤¿¤¬¡¦¡¦¡¦
- MCS Electronics¤Îshop¤ÇBASCOM-AVR¤ò¸«¤ë¤¬¥«¡¼¥È¤¬½Ð¤Æ¤³¤Ê¤¤¡£
- ¿·µ¬¥æ¡¼¥¶¡¼ÅÐÏ¿¤ò¤·¤Æ¤ß¤¿¡£Ì¾Á°¤òÆþ¤ì¤¿¤éNG¡¢¡¢¶õÇò¤¬¥À¥á¤Ç¥Ë¥Ã¥¯¥Í¡¼¥à¤ÇOK¤Ç¤·¤¿¡£
- ¥í¥°¥¤¥ó¤·¤Æ¡¢¥·¥ç¥Ã¥×¤Ø¹Ô¤¯¤È¥«¡¼¥È¤¬½Ð¤Æ¤¤¿¡¢BASCOM-AVR¤Î¥À¥¦¥ó¥í¡¼¥ÉÈǤòÆþ¤ì¡¢¸Ä¿Í¾ðÊó¤ÎÅÐÏ¿¤Ë¿Ê¤à¡£
- ·èºÑ¤ÏÁ÷¶âorPaypal¤À¤Ã¤¿¤Î¤Ç¡¢Paypal¤Ç·èºÑ¡¢ÆüËܱߴ¹»»¤ò¤ß¤ë¤È¹ñÆâÂåÍýŹ¤È¤Û¤ÜƱ¤¸¡£(^_^;)
- °ì»þ´Ö¤Û¤É¤Ç¡¢À½ÉÊÈǤΥÀ¥¦¥í¡¼¥É¥ê¥ó¥¯¤¬Á÷¤é¤ì¤Æ¤¤¿¡£ÅÓÃæ¤Ç¼ºÇÔ¤·¤Æ¤ä¤êľ¤·¤¿¤¬Âç¾æÉפÀ¤Ã¤¿¡£
- ¤³¤ì¤ò²òÅष¤Æ¥¤¥ó¥¹¥È¡¼¥ë¡£µ¯Æ°¤¹¤ë¤È¡¢DLL¤¬Â¤ê¤Ê¤¤¤È¸À¤Ã¤Æ¤¤¿¡£
- Ê̥᡼¥ë¤Ë¥é¥¤¥»¥ó¥¹¥Õ¥¡¥¤¥ë¤Î¥À¥¦¥í¡¼¥É¥ê¥ó¥¯¤¬Á÷¤é¤ì¤Æ¤¤¤¿¡£¤³¤ì¤òBASCOM-AVR¥Õ¥©¥ë¥À¤ËÆþ¤ì¤ë¡£
- ¤³¤ì¤Çư¤¯Íͤˤʤä¿¡£¶â³Û¤Ï¤È¤â¤«¤¯Áᤤ¤Î¤Ï¤¢¤ê¤¬¤¿¤¤¡£
- ¾å¤Î¥á¡¼¥ë¤ËÀ½ÉÊÅÐÏ¿¤Î¥ê¥ó¥¯¤¬¤¢¤Ã¤¿¤¬¡¢Àè¤ÎID¤ÈPASS¤Ç¤ÏÆþ¤ì¤º¡£¤Þ¤¿¿·µ¬ÅÐÏ¿¤Ë¿Ê¤à¡£
- ºÇ½é¤Î¤Ï¥Õ¥©¡¼¥é¥àÍѤǤ³¤Ã¤Á¤¬À½Éʥ桼¥¶¡¼ÍѤߤ¿¤¤¤À¡£¤¹¤°¤ËÅÐÏ¿¥á¡¼¥ë¤¬Í褿¡£
- ¤³¤ì¤Ç¥í¥°¥¤¥ó¡£¥·¥ê¥¢¥ëNo¤òÆþ¤ì¤Æ´°Î»¡£¤³¤ì¤ÇVerUP¤â¤Ç¤¤ë¡£
´ðÈÄCAD¤Î»È¤¤¿´ÃÏ¡¡2012/8/25
ºÇ¶á¤È¤¢¤ëµ¡´ï¤òºî¤Ã¤Æ¤¤¤Æ¡¢¥×¥ê¥ó¥È´ðÈĤòÀ߷פ·¤Æ¤¤¤Þ¤¹¡£
ÀΤÏPCBE¤Çºî¤Ã¤¿¤Î¤Ç¤¹¤¬¡¢Áàºî¤¬ÆÈÆÃ¤Ç¤¹¤Ã¤«¤ê˺¤ì¤Æ¤·¤Þ¤Ã¤¿¤Î¤Ç¡¢CAD¤«¤é¸¡Æ¤¤·¤Þ¤·¤¿¡£
EAGAL¤¬¤Ï¤ä¤ê¤Î¤è¤¦¤Ê¤Î¤Ç¤¹¤¬¥Õ¥ê¡¼ÈǤΥµ¥¤¥º¤Ç¤Ï¾®¤µ¤¤¤·¡¢Áàºî¤¬¤á¤ó¤É¤¯¤µ¤¤¤È¸À¤¦´¶Áۤ⤢¤ë¡£
¼¡¤ÏRS¤¬ÇÛÉÛ¤·¤Æ¤ëDesignSpark¡¢ÅÐÏ¿¤·¤Æ»È¤Ã¤Æ¤ß¤¿¤â¤Î¤Î¥é¥¤¥Ö¥é¥ê¤Ë»È¤¤¤¿¤¤ÉôÉʤ¬Ìµ¤¤¤Î¤¬Â¿¤¯ÃÇǰ¡£
¼¡¤ÏFreePCB¤ò»î¤·¤Æ¤ß¤ë¥é¥¤¥Ö¥é¥ê¤Ï¤ï¤ê¤È¿¤½¤¦¤À¤Ã¤¿¤¬¡¢ÆüËܸì¤Î¾ðÊ󤬾¯¤Ê¤¤¤Î¤¬¼åÅÀ¤«¡£
Minimal Borad Editor¤ÏÁàºîÀ¤¬É¸½àŪ¤Ç¡¢³ä¤ê¤È¤¹¤°¤Ë»È¤¨¤ë´¶¤¸¤¬¤·¤¿¤Î¤Èɽ¼¨¤¬åºÎï¤À¡£
ÉôÉʤâºî¤ë¤È¤¤¤¦»×Áۤǡ¢¥é¥¤¥Ö¥é¥ê¤¬¾¯¤Ê¤¤¤Î¤¬¼åÅÀ¡£¤â¤Ã¤È¤âÉôÉʤòºî¤ë¤Î¤Ï¾¤è¤ê´Êñ¤½¤¦¡£
·ë¶É¡¢»î¤·¤Æ¤¤¤ë¤¦¤Á¤ËMinimal Borad Editor¤ÎÁàºî¤ò³Ð¤¨¤¿¤Î¤Ç¡¢¤½¤Î¤Þ¤Þ»È¤¦¤³¤È¤Ë¤·¤¿¡£
²óÏ©¿Þ¤ÏBSch3V¤Ç½ñ¤¤¤Æ¡¢¥Í¥Ã¥È¥ê¥¹¥È¤ò½Ð¤·¤Æ¤ß¤¿¤éºÇ½é¤Ï¥¨¥é¡¼¤Ð¤«¤ê¡£
¤è¤¯¸«¤¿¤é¡¢Ã¼»Ò¤ËÈֹ椬ÉÕ¤¤¤Æ¤¤¤Ê¤¤ÉôÉʤ¬¤¢¤Ã¤¿¡£¡¡
¥Û¡¼¥à¥Ú¡¼¥¸¤Ç¸ø³«¤µ¤ì¤Æ¤ë¥é¥¤¥Ö¥é¥ê¤ò»È¤¦¤È¤¤ÏÍ×Ãí°Õ¤Ç¤¹¡£
PCBE¤Ç¤Ï³ÆÁؤò°Õ¼±¤·¤Æ½ñ¤¤¤Æ¤¤¤Ã¤¿³Ð¤¨¤¬¤¢¤Ã¤¿¤¬¡¢Minimal Borad Editor¤ÏÉôÉʤ䥹¥ë¡¼¥Û¡¼¥ë¤ò¥Ñ¥¿¡¼¥ó¤Ç·Ò¤¤¤Ç¤¤¤¯¤ä¤êÊý¤À¡£
º¤¤Ã¤¿¤Î¤ÏÈù̯¤Ê¥º¥ì¤ÇÀܳ¤µ¤ì¤Æ¤¤¤Ê¤¤Éôʬ¤¬Â¿¿ô½Ð¤Æ¤·¤Þ¤Ã¤¿»ö¡£
¥°¥ê¥Ã¥É¥Ô¥Ã¥Á¤ò²¿²ó¤âÀÚ¤êÂØ¤¨¤¿¤ê¡¢°Õ¿Þ¤»¤ºÉôÉÊ°ÜÆ°¥â¡¼¥É¤ËÆþ¤Ã¤Æ¤·¤Þ¤¦»ö¤¬¤¢¤Ã¤¿¤«¤é¤«¤â¡£
¤¢¤È¡¢¸ø³«¤µ¤ì¤Æ¤ë¥é¥¤¥Ö¥é¥ê¤ÎɽÌ̼ÂÁõÉôÉʤÏAÌÌÍѤÇBÌ̤ËÃÖ¤¯¤Ë¤Ï¡©¤È»×¤Ã¤¿¤é
ÁªÂò¤·¤ÆEDIT¤Îȿž¤òÍøÍѤ¹¤ì¤ÐÎɤ¤¤è¤¦¤À¡£¡Ê»È¤ï¤Ê¤«¤Ã¤¿¤¬¡¦¡¦¡Ë
¤½¤ì¤Ç¤â²¿¤È¤«¥¨¥é¡¼¤ò¤Ê¤¯¤·¤ÆDRC¥Á¥§¥Ã¥¯¤âÄ̲ᡣ¥Í¥Ã¥È¥ê¥¹¥È¤ò½Ð¤·¤ÆBSch¤ÈÈæ³Ó¤·¤¿¤é¥¨¥é¡¼Â¿È¯¡£
¸¶°ø¤ÏR,C,FB¤Ê¤É¶ËÀ¤Î¤Ê¤¤ÉôÉʤΥԥóÈÖ¹æ¤ò°Õ¼±¤»¤º¤Ë»È¤Ã¤Æ¤¤¤¿»ö¤Ç¤·¤¿¡£ÌÌÅݤÇľ¤¹µ¤¤Ë¤Ê¤ì¤Ê¤¤¡£
¤Þ¤¿¡¢¥ì¥Ý¡¼¥È(rpt)¤Ï½Ð¤Ê¤¤¤Î¤ÇÀܳ˺¤ì¥Ô¥ó¤¬¤¢¤Ã¤Æ¤âȽ¤é¤Ê¤¤¡£
¤É¤¦¤â¥Í¥Ã¥È¥ê¥¹¥ÈÈæ³Ó¤òµá¤á¤ë¤Ê¤éFreePCB¤È¤«¤ò»È¤Ã¤¿Êý¤¬Îɤµ¤½¤¦¤Ç¤¹¡£
Minimal Borad Editor¤Ï¥Ñ¥¿¡¼¥ó¤ò¥µ¥µ¥Ã¤È½ñ¤¤¤Æ¹Ô¤±¤ë¤Î¤¬ÆÃħ¤À¤È»×¤¤¤Þ¤¹¡£
8/29.¥¬¡¼¥Ð¡¼¥Ç¡¼¥¿¥Ó¥å¡¼¥ï¤ÏGerbv¤ò»î¤·¤¿¤¬¡¢¥Ç¡¼¥¿¤òÆÉ¤ß¹þ¤à¤ÈÍî¤Á¤Æ¤·¤Þ¤Ã¤¿¡©¡©
¡¡¼¡¤ÏViewPlot¡¢ÅÐÏ¿ÉÔÍפǥÀ¥¦¥ó¥í¡¼¥É¡¢¥¤¥ó¥¹¥È¡¼¥ë¤Ç¤¤Æ¡¢·Ú²÷¤Ë¤¦¤´¤¤¤Æ¤¤¤ë¡£
¡¡¤À¤¬¡¢¥É¥ê¥ë¥Ç¡¼¥¿¤Ï²¿ÇܤâÂ礤¯É½¼¨¤µ¤ì¤Æ¤·¤Þ¤¦¡£ 2 4¤òÁª¤Ù¤ÐÎɤ¤¡£
¡¡PCBCART¤ËȯÃí¤·¤¿¡£
8/31.PCBCART¤«¤é9/13ͽÄê¤ÈÏ¢Ííͤꡣ¥Ç¡¼¥¿¤ÏÆÃ¤ËÌäÂê¤Ï̵¤«¤Ã¤¿¤è¤¦¤À¡£
¡¡120mm³Ñ¤È40mm³Ñ¤ÎξÌÌ£²¼ï¤Ç$233¡¢ÀΡ¢¹ñÆâ¥á¡¼¥«¡¼¤ËÍê¤ó¤À»þ¤è¤ê¤À¤¤¤Ö°Â¤¤¡£
¡¡¤¿¤À¡¢¾®¤µ¤¤Êý¤Ï´Êñ¤Ê¤Î¤À¤¬¡¢³ä¹â¤Ë¤Ê¤Ã¤¿¤«¤â¡£
¡¡ÉôÉʤò½©·î¡¢¶¦Î©¥¨¥ì¥·¥ç¥Ã¥×¡¢£Ò£Ó¤ËÃíʸ¡£°ì²Õ½ê¤Ç·¤ï¤Ê¤¤¤Î¤¬Æñ¤Ç·×40ÉÊĶ¤Ë¤Ê¤Ã¤¿¡£
9/12.ͽÄê¤è¤ê°ìÆüÁ᤯½Ð²Ù¤µ¤ì¤¿¡£
9/15.¤â¤¦ÅþÃå¡£´ðÈĤϥº¥ì¤Ê¤É¸«¤é¤ì¤º·ê¤äü¤âåºÎï¤Ê»Å¾å¤¬¤ê¤Ç¡¢½½Ê¬Ëþ¤Ǥ¹¡£
Á÷¿®¼õ¿®¼þÇÈ¿ô¤Î¤º¤ì¡¡2010/10/7
RTTY¤äWSJT¤ÇÁ÷¼õ¿®¼þÇÈ¿ô¤Ë¤º¤ì¤¬¤¢¤Ã¤¿¡¢±þÅú¶É¤Î¼þÇÈ¿ô¤¬ÊѤï¤ë¤³¤È¤ÇȽ¤Ã¤¿¤Î¤À¤¬¡¢
¤·¤Ð¤é¤¯¤Ï¡¢MMTTY¤Î¥Ç¥³¡¼¥É¼þÇÈ¿ô¤ò30Hz¤º¤é¤·¤Æ¹ç¤ï¤»¹þ¤ó¤Ç¤¤¤¿¡£
¤ä¤Ã¤È¸¶°ø¤¬È½¤Ã¤¿¡¢LetNote R5¤Î¥µ¥¦¥ó¥É¥µ¥ó¥×¥ê¥ó¥°¼þÇÈ¿ô¤¬IN/OUT¤Ç°ã¤Ã¤Æ¤¤¤¿¤Î¤À¡£
MMTTY¤Ë¤â¹»Àµ¥á¥Ë¥å¡¼¤¬¤¢¤ë¤¬¡¢WSJT¤Îº¸²¼¤Ë½Ð¤ëRateIN/OUT¤ò¸«¤ë¤Î¤¬´Êñ¤Ç¤·¤¿¡£
IN 11025x0.98=10805Hz OUT 11025x1=11025Hz ¤·¤«¤·¡¢¤Ê¤ó¤Çº¹¤¬¤¢¤ë¤Î¤«¤Ê¡©
RTTY(FSK)¤Ï¤³¤ì¤Ç¹ç¤Ã¤¿¤¬¡¢WSJT¤ÏRate¤òÀßÄꤷ¤Æ¤âº¹¤Ï»Ä¤Ã¤¿¤Þ¤Þ¤À¤Ã¤¿¡¢RIT¤ÇÂбþ¡£
¤Á¤Ê¤ß¤Ë³Îǧ¤Ï¤â¤¦°ìÂæ¤Î¼õ¿®µ¡¤ÈPC¤ÇƱ°ì¤Î¿®¹æ¤ò»È¤¤¡¢¥â¥Ë¥¿¡¼¤·¤Æ³Îǧ¤·¤¿¡£
COM¥Ý¡¼¥È¤ÎÊѹ¹¡¡2010/4/17
USB-¥·¥ê¥¢¥ëÊÑ´¹¤ÏƱ¤¸¥É¥é¥¤¥Ð¤Ç¤â¡¢°Û¤Ê¤Ã¤¿COM-No¤È¤Ê¤ê¤É¤ó¤É¤óÁý¤¨¤Æ¤¤¤¯¡£
MMTTY¤ÏCom8¤Þ¤Ç¤Ê¤Î¤Ç¡¢Àܳ¤µ¤ì¤Æ¤¤¤Ê¤¤¥Ç¥Ð¥¤¥¹¾ðÊó¤òɽ¼¨¤µ¤»¡¢ºï½ü¤·¤ÆÊѹ¹¤¹¤ëɬÍפ¬¤¢¤Ã¤¿¡£
Windows TIPS¤Ë¤ä¤êÊý¤¬Í¤Ã¤¿¡£
DOSÁ뤫¤é C:\>set devmgr_show_nonpresent_devices=1 C:\>start devmgmt.msc
¤½¤Î¸å¡¢¡ÖCOMx¤Î¾ÜºÙÀßÄê¡×¤Ç¶õ¤¤¤¿No¤ËÊѤ¨¤ÆOK¤È¤Ê¤Ã¤¿¡£
Arduino¤ÇÂç¶ìÀï¡¡2010/2/9-16.3/4
ºÇ¶á¡¢¹«¤ÇÏÃÂê¤Ë¤Ê¤ê¤Ä¤Ä¤¢¤ë¥Õ¥£¥¸¥«¥ë¥³¥ó¥Ô¥å¡¼¥Æ¥£¥ó¥°¤ò¾¯¤·»î¤·¤Æ¤¤¤¿¡£
°Â¤µ¤«¤éArduino Duemilanove¤Î¸ß´¹µ¡Freeduino¤òÍê¤ó¤À¤Î¤À¤¬¡¢Í褿¤Î¤ò¸«¤ë¤ÈATmega168?
¤³¤ì¤ÏÈÎÇ丵¤ËÏ¢Íí¤·¤ÆATmega328¤òÁ÷¤Ã¤Æ¤â¤é¤Ã¤¿¡£(168¤òÆÀ¤·¤¿)
¥½¥Õ¥È¥¦¥¨¥¢¤ä¥É¥é¥¤¥Ð¤Î¥¤¥ó¥¹¥È¡¼¥ë¤ÏÌäÂê¤Ê¤«¤Ã¤¿¤¬¡¢¥µ¥ó¥×¥ë¤ò¥Þ¥¤¥³¥ó¤ËUPLoad¤Ç¤¤Ê¤¤¡ª¡©
½ñ¤¹þ¤ß¥¨¥é¡¼¤Ë¤Ê¤ë¡£COMÈÖ¹æ¤ò11¢ª2¤Ë¤·¤Æ¤ß¤¿¤ê¡¢ResetSW¤ò²¡¤·¤¿¤ê¤·¤¿¤¬¡¢¤ä¤Ã¤Ñ¤êÂÌÌÜ¡£
PC¤òÊѤ¨¤Æ¤ß¤¿¤¬¡¢ÂÌÌܤÀ¤Ã¤¿¡£
LED¤ÏÅÀÌǤ·¤Æ¤ë¤¬¡¢¥Þ¥¤¥³¥ó¤Ë¥Õ¥¡¡¼¥à¤¬½ñ¤«¤ì¤Æ¤¤¤Ê¤¤¤Î¤«¡©
¤½¤¦¤¤¤¨¤Ð¥È¥éµ»ÉÕÏ¿´ðÈĤò»È¤Ã¤¿¡¢ISP¥é¥¤¥¿¡¼¤Îµ»ö¤¬¹ç¤Ã¤¿¤ÈµÞ¢ºî¤Ã¤Æ»î¤¹¤¬¤¦¤Þ¤¯Æ°¤«¤º¡£
º£¹¹¡¢AVRstadio¤òÆþ¤ì¤ë¤Î¤â¤á¤ó¤É¤¯¤µ¤¤¤·¡¢¥é¥¤¥¿¡¼¥½¥Õ¥È¤âÌäÂê¤À¡£
ArduinoÍÑATmega168¤ò³°¤·¤Æ¡¢Ê̤ÎAVR´ðÈĤˤĤ±¤Æ¡¢BASCOM¡Ü¥·¥ó¥×¥ë¥é¥¤¥¿¡¼¤ÇÆÉ¤à¡£
ÆÉ¤á¤Ê¤¤¡ª¡©Æ°¤¤¤Æ¤¤¤Ê¤¤¤è¤¦¤Ê¡©Xtal¤«¡©
¤½¤³¤Ç¥·¥ó¥×¥ë¥é¥¤¥¿¡¼¤ò6pin¤ËÊÑ´¹¤·¡¢BASCOM¤Î¥é¥¤¥¿¡¼¤ÇFreeduino¤ÎISP¤Ë·Ò¤°¡£
¤ä¤Ã¤È¥Ò¥å¡¼¥º¥Ó¥Ã¥È¤¬ÆÉ¤á¤¿¡¢Freeduino¤ÎATmega¼þ¤ê¤ÏÌäÂê¤Ê¤¤¤è¤¦¤À¡£
¥Õ¥é¥Ã¥·¥å¤¬ÆÉ¤á¤Ê¤¤¤Î¤Ï¥í¥Ã¥¯¥Ó¥Ã¥È¤¬ÀßÄꤷ¤Æ¤¢¤ë°Ù¤ß¤¿¤¤¡£¤ä¤Ã¤Ñ¤ê½ñ¤¹þ¤ßºÑ¤ß¡©
Ê̤ÎATmega168¤Ë¥Õ¥¡¡¼¥à¤ä¥Ò¥å¡¼¥º¥Ó¥Ã¥È¤ò¾Æ¤¤¤Æ»î¤·¤Æ¤ß¤ë¤¬Æ±¤¸¾É¾õ¤ÇNG¡£
USBÊÑ´¹IC¤«¡©¤¦¡¼¤ó¡¢¤³¤ì¤¸¤ãBASCOM¤ÎÊý¤¬´Êñ¤À¤¾¡£º¤¤Ã¤¿¡£
2/13.·ë¶É¡¢Duemilanove¤òÇã¤Ã¤¿¡£UPload¤âÌäÂê¤Ê¤¯Æ°¤¤¤¿¡¢PC¦¤ÏÎɤ¤¤è¤¦¤À¡£
¡¡AVR¤òÊѤ¨¤Æ¤â̵»öư¤¯¡¢TX,RX¤ÎLED¤ÎÅÀ¤Êý¤¬°ã¤¦¤è¤¦¤Ê¡£
¡¡USB-IC¤ÎÌäÂê¤Î¤«¡©
¡¡IC¤â¥É¥é¥¤¥Ð¤âƱ¤¸¤Ê¤Î¤ËCOMÈֹ椬ÊѤï¤Ã¤Æ¤·¤Þ¤¦¤Î¤Ï¤¤¤Þ¤¤¤Á¡£(Win¤Î»ÅÍÍ)
2/16.Freeduino¤ò¥ª¥·¥í¤Ç¸«¤¿¤é¡¢È¯¿¶ÇÈ·Á¤Ï¤¤ì¤¤¤Ê¥µ¥¤¥óÇȤʤΤË45nS¤·¤«¤Ê¤¯Ã»¤¤¡£
¡¡22MHz¤Çȯ¿¶¤·¤Æ¤¤¤¿¡£¤³¤ó¤Ê¤Î½é¤á¤Æ¤À¡¢Xtal¤Î¹ï°õ¥ß¥¹¤À¤í¤¦¤«¡©
¡¡¼ê»ý¤Á¤Î16MHz¤ÏÂ礤¤¤Î¤Ç²£¤Ë¤·¤ÆÉÕ¤±ÊѤ¨¤¿¡£UPload¤â¤¦¤Þ¤¯¹Ô¤Àµ¾ïưºî¤È¤Ê¤Ã¤¿¡£
¡¡¤¤¤Ã¤·¤ç¤ËÇã¤Ã¤¿Waveshield¤ò»î¤·¤¿¤é¡¢microSD¤Îsandisk64M¤¬ÆÉ¤á¤º¡©¡©¥Î¡¼¥Ö¥é¥ó¥É2M¤ÏOK¡£
¡¡¤¤ì¤¤¤Ê²»¤À¡ª¤ä¤Ã¤Ñ12Bit¤ÏÎɤ¤¡¢8bit¤È¤ÏÏĤ¬°ã¤¦¡£¾ÃÈñÅÅή¤Ï45¡Á105mA¤Ç¤·¤¿¡£
¡¡¤³¤¦¤¤¤¦¡¢Â¾¤Î¿Í¤ÎÀ®²Ì¤ò¥«¥¹¥¿¥Þ¥¤¥º¤·¤Æ¼«Ê¬ÍѤ˻Ȥ¨¤ë¤Î¤¬Arduino¤Î¶¯¤ß¤À¤È»×¤¦¡£
3/4.½©·î¤Î100±ßSD¥«¡¼¥É8M¤òÇã¤Ã¤¿¤Î¤Ç¡¢»î¤·¤¿¤éERR¤È¤Ê¤êÆÉ¤á¤Ê¤«¤Ã¤¿¡£
¡¡FAT12¤Ë¤Ê¤Ã¤Æ¤¤¤¿¤Î¤Ç¡¢DOSÁ뤫¤é¡ÖFormat ¡Á: /fs:fat /a:1024¡×¤ÇFAT16¤Ëľ¤·¤¿¡£
¡¡¤³¤ì¤Ç̵»ö¤ËºÆÀ¸¤Ç¤¤Þ¤·¤¿¡£
AVR¤½¤Î£³¡¡2008/4/30
BASCOM¤Ç¿·¤¿¤Ëµ¤¤¬¤Ä¤¤¤¿ÅÀ
¡LCDɽ¼¨¤Î¿ô»ú¤ò·¤¨¤ë¤Î¤ËFORMAT¤ò»È¤Ã¤Æ¤¤¤¿¤¬¡¢LCDÊ¸Ãæ¤Ë½ñ¤±¤¿¡£
¡¡ÊÑ¿ô¤ËÆþ¤ì¤ÆLCDÌ¿Îá¤ò¹Ô¤¦¤è¤ê¥á¥â¥ê¡¼¤¬¾¯¤·¾¯¤Ê¤¯¤Æ¤¹¤à¡£
¢IFʸ¤Ê¤É¤Çʸ»ú¤òÊÑ¿ô¤ËÆþ¤ì¤Æ¡¢LCDÌ¿Îá¤ò¶¦Ä̲½¤¹¤ë¤È¥á¥â¥ê¡¼Áý²Ã¡£
¡¡ÊÑ¿ô¤ò»È¤ï¤ºLCDÌ¿Îá¤ò£²¤Ä»È¤Ã¤¿Êý¤¬Îɤ¤¡£
£RETURNÌ¿Îá¤Ï¶¦Ä̲½¤Ç¤¤ë¡£
¡¡Ê¸Ãæ¤Ë¥é¥Ù¥ë¤òÆþ¤ì¤ÆRETURNÌ¿Îá¤ò¶¦Ä̤ˤ·¤Æ¤âOK¡£
¤SfiftoutÌ¿Îá¤äMakeintÌ¿Îá¤ò¾¯¤Ê¤¯¤¹¤ë¤È¤µ¤é¤Ë¥á¥â¥ê¡¼ÀáÌó¤Ç¤¤ë¡£
¡¡LongÊÑ¿ô¤ÈAnd,Or¤äShift¤ò¤¦¤Þ¤¯»È¤¦¤ÈÎɤ¤¡£
AVR¤½¤Î£²¡¡2008/2/16
¥í¡¼¥¿¥ê¡¼¥¨¥ó¥³¡¼¥À¡¼¤ÎÆÉ¤ßÊý¤ò¤¤¤¯¤Ä¤«»î¤·¤Æ¤¤¤¿¡£
¡¡¢Ifʸ¤ò»È¤Ã¤ÆÈ½Äꤹ¤ë¡££´Ê¬´ô¡ö£²Ê¬´ô¡¡¡Ö¥½¡¼¥¹¤¬ÆÉ¤ß¤Ë¤¯¤¯¤Ê¤ê¤¬¤Á¡×
¢¡¢Á°¤ÎÃͤò¥·¥Õ¥È¤µ¤»OR¤ò¼è¤Ã¤Æ¥³¡¼¥É²½¤¹¤ë¡££¸Ê¬´ô¡¡¡Ö¤ä¤äŤ¯¤Ê¤ë¤¬È½¤ê°×¤¤¡×
£¡¢¥°¥ì¥¤¥³¡¼¥É¢ª¥Ð¥¤¥Ê¥êÊÑ´¹¤·¡¢Á°¤ÎÃͤȰú¤»»¤¹¤ë¡££´or£¶Ê¬´ô¡¡¡Ö¥³¡¼¥É¤ÎÍý²ò¡£¥½¡¼¥¹¤ÏºÇû¡×
SELECT-CASEʸ¤ò»È¤¦¤È½ñ¤¤ä¤¹¤¯¤Ê¤ë¤¬¡¢Æ°ºî¤Ï¤É¤ì¤âÂ纹¤Ê¤¤´¶¤¸¤À¤Ã¤¿¡£
·ë¶É¡¢Â®¤¯²ö¤¹¤È¼è¤ê¤³¤Ü¤·¤¬µ¯¤¤ë¡£
¥í¡¼¥¿¥ê¡¼¥¨¥ó¥³¡¼¥À¡¼¤ÎÇÈ·Á¤ÏÁ᤯¤Æ¿ômS¤Ê¤Î¤Ë¡¢¤Ê¤ó¤ÇÃÙ¤ì¤ë¤Î¤«¡©
¢ªLCDɽ¼¨¤¬ÃÙ¤«¤Ã¤¿¡£13ʸ»ú¤Ç20mS°Ê¾å³Ý¤«¤Ã¤Æ¤¤¤¿¡£
LCD¼«ÂΤϤâ¤Ã¤ÈÁ᤯¤ÆÂç¾æÉפʤϤº¤À¤¬¡¢BASCOM¤¬²¿¤ò´ð½à¤Ë¤·¤Æ¤¤¤ë¤«È½¤é¤Ê¤¤¡©
Á᤯¤¹¤ëÀßÄ꤬¸«Åö¤¿¤é¤Ê¤¤¤Î¤Ç¡¢½ñ¤´¹¤¨¤ëʸ»ú¤ò¤Ê¤ë¤Ù¤¯¸º¤é¤¹¤·¤«¤Ê¤µ¤½¤¦¡£
ȽÄê¤Ï¤É¤ì¤Ç¤â½½Ê¬Áᤤ¤Î¤Ç¡¢È½¤ê°×¤¤¢¤Ç¤¤¤¤¤«¡£
Long¤äSongle¤ò»È¤Ã¤Æ¼Â¿ô·×»»¤¹¤ë¤È¡¢¤±¤Ã¤³¤¦¥á¥â¥ê¡¼¤ò¿©¤¦¤ß¤¿¤¤¡£
4kÀ©¸Â¤Ë°ú¤Ã¤«¤«¤ê¤½¤¦¤À¡¢¤Þ¤¢¥ì¥¸¥¹¥È¤·¤ÆMega88or168¤ò»È¤¨¤Ð¤¤¤¤¤ó¤À¤¬¡£
¹©Éפ·¤ÆÀ°¿ô·×»»¤ÇÂåÍѤǤ¤ì¤Ð¡¢¤½¤ÎÊý¤¬Îɤµ¤½¤¦¤À¡£
¤¢¤ê¤¬¤¿¤¤»ö¤Ë¡¢BASCOM¤ÎÆüËܸìÌõ¤¬¤¢¤Ã¤¿¢ªO-FamiryÅŻҹ©ºî¤ÎÉô²°
AVR¤ò»î¤·¤Æ¤¤¤Þ¤¹¡¡2008/1/17-22.2/6
JUMA TRX2A¤â°ì©¤Ä¤¤¤¿¤Î¤Ç¼¡¤ò¹Í¤¨¤Æ¤¤¤Þ¤¹¡£¤½¤³¤Ç
PIC¤äH8¤Ï°·¤Ã¤¿¤³¤È¤¬¤¢¤ë¤¬¡¢AVR¡ÜBASCOM¤¬´Êñ¤é¤·¤¤¤Î¤Ç¤ä¤Ã¤Æ¤ß¤¿¡£
¥Ï¥à¤Î¤¿¤á¤ÎAVRÆþÌç
AVR¥Þ¥¤¥³¥óÆþÌç¡¢¥Ö¥ì¥Ã¥É¥Ü¡¼¥É¥é¥¸¥ª¡¡¡ÊʸÎ㤬¿¤¯»²¹Í¤Ë¤Ê¤ê¤Þ¤·¤¿TNX¡Ë
AVR&BASCOM-AVR¡¡¡ÊÆüËܸì¤ÎÌ¿Îá¥ê¥Õ¥¡¥ì¥ó¥¹¤¬½õ¤«¤ê¤Þ¤¹¡Ë
MCS Electonics¡¡ (DemoÈǤÇ4K¤Þ¤ÇOK¡¢ÂÀ¤ÃÊ¢)
¥é¥¤¥¿¡¼¤ÏÄñ¹³£´ËܤΥ·¥ó¥×¥ë¥¿¥¤¥×¤ÇATMEGA48¤Ë½©·î¤Î¾®·¿LCD(SD1602HULB)¤ò·Ò¤¤¤À¡£
¤Ò¤ÈÄ̤êÇÛÀþ¤·¤¿¤é¡¢ÌäÂêȯÀ¸¡ª
LCD¤Î»ÅÍͽñ¤òÎɤ¯¸«¤¿¤é¥Ô¥óÇÛ¤¬¡¢14¢ª1,16,15¤Î½ç¤À¡ª²¿¤¸¤ã¤³¤ê¤ã¡©
ÉáÄ̤Ï16¢ª1or1¢ª16¤À¤í¡£ÅŸ»Æþ¤ì¤ëÁ°¤ÇÎɤ«¤Ã¤¿¡£
¾å¤ÎÆþÌç¥Ú¡¼¥¸¤Ë¤·¤¿¤¬¤Ã¤Æ¡¢LCDɽ¼¨¥×¥í¥°¥é¥à¤òÆþ¤ì¤Æ¤ß¤¿¡£
BASCOM¤ÏLCD¤òµ¡Ç½²½¤·¤Æ¤ë¤«¤é¡¢£±¹Ô¤Ç¤¹¤à¤·¡¢¥é¥¤¥¿¡¼¥×¥í¥°¥é¥à¤âÆâ¡¤·¤Æ¤ë¡£
¤¢¤Ã¤µ¤êư¤¤Þ¤·¤¿¡¢³Î¤«¤Ë¤³¤ê¤ã´Êñ¤À¡£
BASCOM¤ÎHELP¤ÎÌܼ¡¤Ï¸«¤¨¤ë¤¬Ãæ¿È¤¬¸«¤¨¤Ê¤¤¡£CHM¤À¤«¤éXP SP2¤Î¥»¥¥å¥ê¥Æ¥£¤«¡©¡©
¤È¤ê¤¢¤¨¤º¡¢BASCOM-Online HELP¤ò¸«¤Æ¤·¤Î¤°¡£
1/18.SWÆþÎϤâOK¤Ç¡¢ADÆþÎϤò»î¤·¤¿¤éŽ¢1023Ž£¤Î¤Þ¤ÞÊѤï¤é¤º¡£¡©¡©
¡¡ÆþÎÏ»ØÄ꤬ȴ¤±¤Æ¤¤¤¿¤¬¡¢Ä¾¤·¤Æ¤âÂÌÌÜ¡£
¡¡ÅÓÊý¤Ë¤¯¤ì¤Æ¤·¤Ð¤é¤¯Æ¬¤òÎä¤ä¤¹¡£Îɤ¯¸«¤¿¤éAref¤¬¥ª¡¼¥×¥ó¤À¤Ã¤¿¡£
¡¡Aref¤ò5V¤Ë·Ò¤¤¤À¤é̵»ö¤ËÀµ¤·¤¤É½¼¨¤¬½Ð¤Þ¤·¤¿¡£
¡¡AD¤Î´ð½à¤ÏAVCC¤¬¥Ç¥Õ¥©¥ë¥È¤ÇAref¤¬¥ª¥×¥·¥ç¥ó¤À¤È´ª°ã¤¤¤·¤Æ¤¤¤¿¡£
1/19.½ñ¤¹þ¤ß¤¬»þ¡¹¼ºÇÔ¤·¤ÆÉÔ°ÂÄê¤À¤Ã¤¿¤Î¤Ç¡¢ÇÛÀþ¤ò¤ä¤êľ¤·¤¿¡£
¡¡5ËܤÎÀþ¤Ç°ú¤¤¤Æ¤¤¤¿¤Î¤ò¡¢¥Õ¥é¥Ã¥È¥±¡¼¥Ö¥ë¤ÇGND¤ò¸ò¸ß¤ËÇÛÃÖ¤·9ËܻȤäƤߤ¿¡£
¡¡¤Þ¤¿¡¢Äñ¹³¤ò¥ª¥ê¥¸¥Ê¥ë¤É¤¦¤ê¤ËPC¦¤Ë»ý¤Ã¤Æ¤¤¿¡£
¡¡°ÂÄꤷ¤Æ½ñ¤¹þ¤ß¤Ç¤¤ë¤è¤¦¤Ë¤Ê¤ê¤Þ¤·¤¿¡£
¡¡¡ã¤½¤Î¸å¡¢ÅŸ»¤¬5V¤è¤ê¹â¤¤¤È¼ºÇÔ¤·¤ä¤¹¤¯¤Ê¤ë»ö¤¬È½¤Ã¤¿¡£4.9V¤ÏOK¡ä
1/20.PWM¤ò¥Æ¥¹¥È¤·¤Æ¤ß¤¿¡£½ÐÎϤò¸«¤ë¤ÈDuty¤ÏϢ³¤ÇÊѤ¨¤ì¤ë¤¬¼þÇÈ¿ô¤Ï¤È¤Ó¤È¤Ó¤Ê¤Î¤«¡£
¡¡Ç¤°Õ¤Î¼þÇÈ¿ô¤Çºî¤ê¤¿¤¤¤È¤¤Ï¥¿¥¤¥Þ¡¼¤ò¥³¥ó¥Ñ¥ì¡¼¥¿¡¼¤Ç¥È¥°¥ë¤¹¤ì¤ÐÎɤ¤¤è¤¦¤À¡£(¾å¤Î¥ê¥ó¥¯Àè¤Ëͤê)
¡¡¤³¤ì¤Ç¡¢¥È¡¼¥ó¼þÇÈ¿ô¤â¤Ç¤¤½¤¦¤À¡£
¡¡Ã»»þ´Ö¤Ê¤éSoundÌ¿Îá¤Ç¤â½Ð¤»¤ë¤è¤¦¤À¤¬¡¢½Ð¤·¤Ã¤Ñ¤Ê¤·¤Ç»È¤¦¤Ë¤Ï¥¿¥¤¥Þ¡¼¤ÎÊý¤¬Îɤµ¤½¤¦¡£
1/21.¥í¡¼¥¿¥ê¡¼¥¨¥ó¥³¡¼¥À¤ò»î¤·¤¿¡£¤³¤ì¤âÌ¿Î᤬¤¢¤Ã¤Æ¤¹¤°¤Ëư¤¤¤¿¡£
¡¡½©·î¤Î»ñÎÁ¤ËEC16B¤Î¥Ô¥óÇÛ¤¬½ñ¤¤¤Æ¤Ê¤«¤Ã¤¿¤¬¡¢Oline-HELP¤Ë½Ð¤Æ¤¤¤¿¡£(¡©¡©)
¡¡Æ°¤¤ò¤ß¤ë¤È¥Á¥ã¥¿¥ê¥ó¥°ËÉ»ß¤ÏÆþ¤ì¤¿Êý¤¬Îɤµ¤½¤¦¡£
¡¡EncoderÌ¿Îá¤Ïư¤¯¤Î¤òÂԤäƤ·¤Þ¤¦¡¢Æ±»þ¤ËSW¤â¤ß¤è¤¦¤È¤¹¤ë¤È³ä¤ê¹þ¤ß¤«¸ÄÊ̵½Ò¤À¡£
1/22.¼Â¿ô·×»»¤ò»î¤¹¡¢¼þÇÈ¿ô·×»»¤ÏSingle(32bit)¤Ç¤Ç¤¤½¤¦¤À¡£
¡¡À°¿ô¤Î³ä¤ê»»(;¤ê̵»ë)¤Ï16bitÊÑ¿ô¤ËÆþ¤ì¤Ê¤¤¤È¥¨¥é¡¼¤Ë¤Ê¤Ã¤¿¡£
¡¡¥×¥í¥°¥é¥àÆâ¤ÎÄê¿ô¤Ï16bit°ÊÆâ¤Ç¤Ê¤¤¤ÈÂÌÌܤߤ¿¤¤¡£
¡¡Í¾¾ê(MOD)¤Ë¶ìÀï¡¢¸µ¥Ç¡¼¥¿¤¬Long¤Ê¤é·×»»·ë²Ì¤âLong¤ËÆþ¤ì¤Ê¤¤¤ÈÂÌÌܤʻö¤¬È½¤Ã¤¿¡£
AVR¥Æ¥¹¥È´ðÈĤβóÏ©¿Þ¢ªAVRtest.gif
2/6.¥»¥é¥í¥Ã¥¯È¯¿¶¤ò»î¤·¤Æ¤ß¤¿¡£
¡¡AVR¤ò¥×¥í¥°¥é¥à¤Ç¤¤ë¾õÂ֤ǡ¢Program¢ªManual Program¢ªLock¡õFuseBits¢ªFuseBits KLA987
¡¡ÁªÂò¤¬Âô»³¤¢¤Ã¤Æ»ÅÍͽñ¤òºÆ³Îǧ¡£Äã®ÅŸ»¤ÇÁ´È¯¿¶¤¬°ÂÁ´¤À¤ÈCLKSEL=0111ޤSUT=11¤Ë¡£
¡¡WritePRG¤ò²¡¤·¤¿¤¬ÊѤï¤é¤ºÊѤÀ¤È»×¤Ã¤¿¤é¡¢¥½¡¼¥¹¤ËÀßÄ꤬²Ã¤ï¤Ã¤Æ¤¤¤¿¡£
¡¡¤·¤«¤â¡¢¥«¥½¡¼¥ë¤¬Í¤Ã¤¿ÊѤʰÌÃÖ¤«¤éÆþ¤Ã¤Æ¥¨¥é¡¼¤Î¸µ¤Ë¤Ê¤Ã¤Æ¤¤¤¿¤Î¤À¡ª¡©
¡¡µ¤¤ò¼è¤êľ¤·¤Æ¡¢WriteFS¤ò²¡¤·¤¿¤¬È¿±þ¤¬È½¤é¤Ê¤«¤Ã¤¿¡£¤Ç¤â¡¢ÊѤï¤Ã¤Æ¤¤¤¿¡£
¡¡¤·¤«¤âÎɤ¯¤ß¤¿¤éÀßÄê¤ò´Ö°ã¤¤Äã¿¶Éý¤ÎCLKSEL=1111ޤSUT=11¤Çư¤«¤·¤Æ¤¤¤¿¡£¤Þ¤¢¡¢¤¤¤¤¤«¡£
Hamlog QSObank tool¡¡2007/10/6
ºÇ¶á¡¢¤Ü¤Á¤Ü¤Á¤ÈQSO Bank¤Ø¥Ç¡¼¥¿¤òUP¤·»Ï¤á¤¿¤ó¤Ç¤¹¤¬¡¢¼þÇÈ¿ôÍó¤Î/°Ê¸å¤Ïºï¤é¤ì¤Æ¤·¤Þ¤¤¤Þ¤¹¡£
¤½¤Î¤¿¤á¸å¤«¤éWeb¤ÇÈ÷¹ÍÍó¤ËUp/Down¼þÇÈ¿ô¤òÄɲ䷤ʤ±¤ì¤Ð¤Ê¤é¤ºÌÌÅݤǤ·¤¿¡£
QSL°õºþ¤ÎÅÔ¹ç¤â¤¢¤ë¤Î¤ÇLOGÆþÎÏ»þ¤ËÈ÷¹ÍÍó¤Ë±ÒÀ±Ì¾¡Ü¼þÇÈ¿ô¤òµÆþ¤¹¤ë¤ï¤±¤Ë¤â¹Ô¤¤Þ¤»¤ó¡£
¤Þ¤¿¡¢±ÒÀ±Ì¾¤Ç»È¤Ã¤Æ¤ë¤È¡ÖÅÅ»ÒQSLÈ÷¹ÍÍó¡×¤Ë½ñ¤¤¤Æ¤â½Ð¤Ê¤¤¤Î¤ÇÌò¤Ë¤¿¤Á¤Þ¤»¤ó¡£
¤½¤³¤ÇQSObank¤ØÁ÷¤ëÁ°¤ËÈ÷¹ÍÍó¤ËUp/Down¼þÇÈ¿ô¤òÄɲ乤륽¥Õ¥È¤òºî¤ê¤Þ¤·¤¿¡£
Hamlog QSObank tool¢ªfreq_add.ex-
»È¤¤Êý¤Ï¡¢
¥À¥¦¥ó¥í¡¼¥É¤·QSOBANK.EXE¤Î¤¢¤ë¥Õ¥©¥ë¥À¤ËÆþ¤ì¤Æ¤¯¤À¤µ¤¤¡£
³ÈÄ¥»Ò¤òÊѹ¹¤·¤Þ¤¹¡£freq_add.ex- ¢ª freq_add.exe
freq_add.exe¤Î¥·¥ç¡¼¥È¥«¥Ã¥È¤ò¥Ç¥¹¥¯¥È¥Ã¥×¤Ê¤É¤Ëºî¤ë¡£
Hamlog¤Î¡ÖQSObank¡×¤Ç¡Ö½ÐÎϳ«»Ï¡×¤·¤Æ¡Ö¡Á°ì³çÁ÷¿®¤·¤Æ¤¯¤À¤µ¤¤¡×
freq_add.exe¤òµ¯Æ°¤¹¤ë¡£½èÍý¤·¤¿·ï¿ô¤¬É½¼¨¤µ¤ì¤¿¤é¡¢½ªÎ»¤·¤Æ¤âÎɤ¤¤Ç¤¹¡£
¤½¤Î¸å¡Ö°ì³çÁ÷¿®¡×¤ÇQSObank¤Ø¥Ç¡¼¥¿¤òUP¤¹¤ì¤ÐOK¡£
QsoBankTmp.txt¤È¤¤¤¦Ãæ´Ö¥Õ¥¡¥¤¥ë¤ò²Ã¹©¤·¤Æ¤¤¤ë¤Î¤À¤¬¡¢¥Ç¥Ð¥Ã¥¯Ãæ¤ËÀÚ¤ê½Ð¤¹¥«¥Ã¥È°ÌÃÖ¤¬ÊѤÀ¤Ã¤¿¡£
¥Ð¥¤¥Ê¥ê¥¨¥Ç¥£¥¿¤ÇÎɤ¯¸«¤¿¤é¹àÌܤζèÀÚ¤ê¤Ï¥¹¥Ú¡¼¥¹¤Ç¤Ï¤Ê¤¯Tab(09h)¤À¤Ã¤¿¡£¤¢¤¢´ª°ã¤¤¡£
Äɲ乤ëUp/Down¼þÇÈ¿ô¤Ï±ÒÀ±Ì¾¤ÇȽÄꤷ¤Æ¤¤¤Þ¤¹¡£¡ÖAO-51,AO-27,SO-50,FO-29,AO-7,ISS¡×
AO-51¤ÎL/U,L/S,V/S¤Ï¤Þ¤À̤Âбþ¤Ç¤¹¡£
¡ã¥³¥á¥ó¥È¡ä
- HLMente ¤âSAT¤Î"/"¤¬¹Í褵¤ì¤Æ¤Ê¤¯¤Æ½¤Àµ¤·¤Æ¤â¤é¤¤¤Þ¤·¤¿¡£ - UVJ (2007/12/27 20:37)
- ¤Ê¤ë¤Û¤É¡¢¤³¤¦¤¤¤¦¥½¥Õ¥È¤â¤¢¤Ã¤¿¤ó¤Ç¤¹¤Í¡£¥¢¥ï¡¼¥É¿½ÀÁ¤ËÊØÍø¤½¤¦¡£ - TLZ (2007/12/28 11:18)
AO-7¤Î¼þÇÈ¿ô·×»»¼°¡¡2007/9/16
AO-7¤ò»î¤·¤Æ¤¤¤Æ¡¢¼«ºî¥½¥Õ¥ÈSATfreq¤Î¥Ð¥°¤Ëµ¤¤¬¤Ä¤¤¤¿¡£
ºÇ¶á¤Ç¤ÏCSATmate¤È¤«¤â¤¢¤ë¤Î¤Ç²¿¤À¤¬¡¢´Ö°ã¤Ã¤¿¤Þ¤Þ¤Ê¤Î¤Ïµ¤Ê¬Åª¤Ë¤âÎɤ¯¤Ê¤¤¤Î¤Çľ¤·¤¿¡£
¼õ¿®Â¦29MHz¤«¤é·×»»¤¹¤ë¾ì¹ç¤Ï¹ç¤Ã¤Æ¤¤¤¿¡£
¡¡F145 = 116450 + F29 - ( Fdu145 * 6/5)¡¡
Á÷¿®Â¦145MHz¤«¤é·×»»¤¹¤ë¾ì¹ç¤Î¥É¥Ã¥×¥é¡¼freq¤Î¡Ü¡Ý¤¬°ã¤Ã¤Æ¤¿¡£¡Ê¼°¤òÎɤ¯¸«¤ì¤Ð¤¢¤¿¤ê¤Þ¤¨¡¦¡¦¡Ë
¡¡F29 = F145 - 116450 + ( Fdu145 * 6/5)¡¡
¥É¥Ã¥×¥é¡¼freq¤ò6/5Çܤ·¤Æ¤ë¤Î¤Ï¡¢145MHz+29MHz¤È¸À¤¦¤³¤È¤Ç¤¹¡£
¤Á¤Ê¤ß¤ËFO-29¤Ï¡¢435MHz¤È145MHz¤òµÕ¤Ë¤·¤Æ¤âƱ¤¸¡¢¤Ê¤Î¤¬´ª°ã¤¤¤Î¸µ¤Ç¤·¤¿¡£
¡¡F145 = 581800 - F435 + ( Fdu435 * 2/3)¡¡
¤½¤ì¤Ç¤âCSATmate¤È¤ÏAO-7¤À¤±Èù̯¤Ë¤º¤ì¤ë¤Î¤¬µ¤¤Ë¤Ê¤ë¡¢¥µ¥¤¥É¥È¡¼¥ó¤Î¹Íθ¤À¤í¤¦¤«¡©
¼þÇÈ¿ô·×»»¥½¥Õ¥È¤òVerUP¤·¤Þ¤·¤¿¡¡2006/1/19-2/2
ǯËö¤ÎISS¥ì¥Ô¡¼¥¿¤ÇFMÁ÷¿®¤Ç¤â¥É¥Ã¥×¥é¡¼¥·¥Õ¥È¤¬É¬ÍפÀ¤Ã¤¿»ö¤Ê¤É¤«¤é¡¢SATfreq¤òVerUP¤·¤Þ¤·¤¿¡£
¡ÊAO-51¤¬¥¢¥Ê¥í¥°off´ü´Ö¤À¤Ã¤¿¤·¡Ë
µ¡Ç½¤ËFM±ÒÀ±¤ÎÁ÷¿®¼þÇÈ¿ô¡¢Ï¢Â³É½¼¨¡¢AO-7Äɲäʤɿ§¡¹¤È²þÎɤ·¤Æ¤¤¤Þ¤¹¡£
PS.²èḬ̀ÌÃÖ¡¢ÀßÄê¤ÎÊݸ¤Ê¤É¤µ¤é¤ËVerUP¤·¤Þ¤·¤¿¡£
http://yoshikawa.jpn.org/main/ext/link2.htm
¼þÇÈ¿ô·×»»¥½¥Õ¥È¤âºî¤ê¤Þ¤·¤¿¡¡2005/9/16
°Ê²¼¤Î¤è¤¦¤Ê½àÈ÷¤ò¤·¤Æ°ì¥ö·î¤Û¤ÉÁ°¤«¤é¡¢¤¤¤Á¤ª¤¦¸ò¿®¤Ç¤¤ëÀßÈ÷¤Ë¤Ê¤Ã¤¿¤ï¤±¤Ç¤¹¤¬¡¢FM±ÒÀ±¤Çʹ¤³¤¨¤Æ¤ë¿Í¤ò¸Æ¤ó¤Ç¤â¤Ê¤«¤Ê¤«¼è¤Ã¤Æ¤â¤é¤¨¤Þ¤»¤ó¡£¡ÊFM±ÒÀ±¤Ï°ìÇȤÀ¤«¤é¼å¤¤¤È¶¯¤¤¿®¹æ¤ËÉ餱¤ÆÄ̤é¤Ê¤¤¤«¤é¤«¡©¡Ë
¤Ê¤é¤Ð¤È¡¢¥Ð¥ó¥ÉÉý¤Î¤¢¤ëSSB±ÒÀ±VO-52¤òʹ¤¤¤Æ¤ß¤Þ¤¹¤¬¡¢¼þÇÈ¿ô´Ø·¸¤¬µÕ¤Ë¤Ê¤ëµÕ¥Ø¥Æ¥í¥À¥¤¥óÊÑ´¹¤È¥É¥Ã¥×¥é¡¼¥·¥Õ¥È¤ÇÁ÷¿®Â¦¤ò¤É¤Î¼þÇÈ¿ô¤Ë¹ç¤ï¤»¤ì¤ÐÎɤ¤¤Î¤«¡¢¤Ê¤«¤Ê¤«È½¤ê¤Þ¤»¤ó¤Ç¤·¤¿¡£
¤½¤¦¤³¤¦¤¹¤ëÆâ¤Ë¡¢¿ÆÀÚ¤ËÁ÷¿®¼þÇÈ¿ô¤ò¸À¤Ã¤Æ£Ã£Ñ½Ð¤·¤Æ¤ë¶É¤¬µï¤¿¤Î¤Ç¡¢¤½¤Î¼þÇÈ¿ô¤Ë¹ç¤ï¤»¤ÆÆÉ¤ó¤À¤È¤³¤í¡¢Ìµ»ö¤Ë½é¤Î±ÒÀ±ÄÌ¿®¤¬¤Ç¤¤Þ¤·¤¿¡ª¡¡¥¢¥Þ¥Á¥å¥¢ÌµÀþ¤é¤·¤¤¸ò¿®¤â¼Â¤Ë½½¿ôǯ¤Ö¤ê¡ª
Äãµ°Æ»±ÒÀ±¤È¤Ï¸À¤¨¡¢2000km°Ê¾å¤âÎ¥¤ì¤¿±ÒÀ±¤ò»È¤Ã¤Æ¹Ô¤¦¸ò¿®¤Ï¤Ê¤«¤Ê¤«¥¹¥ê¥ë¤¬¤¢¤Ã¤Æ¡¢¤Ê¤ó¤È¤â¸À¤¨¤Ê¤¤ÌÌÇò¤µ¤Ç¤¹¡£
¡Ê50MHz¤Î£Å¥¹¥Ý¤ä£È£Æ¤Î£Ä£Ø¤È»÷¤¿¤È¤³¤í¤¬¤¢¤ë¡Ë
¤µ¤Æ±ÒÀ±½é¸ò¿®¤Ï¤Ç¤¤¿¤â¤Î¤Î¡¢ÁêÊѤï¤é¤º¼þÇÈ¿ô¹ç¤ï¤»¤ÏÆñ¤·¤¤¡£±ÒÀ±¤«¤éµ¢¤Ã¤Æ¤¯¤ë¼«Ê¬¤ÎÀ¼¤òʹ¤¤¤Æ¹ç¤ï¤»¤ë¤Î¤¬´ðËܤʤΤǤ¹¤¬¡¢ÀßÈ÷¤òÈ¿±Ç¤·¤Æ¼å¤¤¤Î¤Çõ¤·¤Æ¤ë¤¦¤Á¤Ë±ÒÀ±¤¬Èô¤Óµî¤Ã¤Á¤ã¤¿¤ê¤·¤Þ¤·¤¿¡£
Ä´¤Ù¤Æ¸«¤ë¤È±ÒÀ±¤Îµ°Æ»·×»»¥½¥Õ¥ÈCALSAT32¤ÏDDE¤È¤¤¤¦»ÅÁȤߤǡ¢Ê̤Υ½¥Õ¥È¤Ë·×»»·ë²Ì¤òÅϤ»¤ë¤é¤·¤¤¡£¤Þ¤¿¡¢ÊÒÊý¤Î̵Àþµ¡¤ÏÈæ³ÓŪ¿·¤·¤¤¤Î¤Ç¥·¥ê¥¢¥ëÄÌ¿®¤Ç¼þÇÈ¿ô¤¬ÆÉ¤á¤ë¤·¡¢¤³¤ì¤òÁȤ߹ç¤ï¤»¤Æ¡¢¤â¤¦ÊÒÊý¤Î̵Àþµ¡¤¬¹ç¤ï¤»¤ë¤Ù¤¼þÇÈ¿ô¤ò·×»»¤·¤ÆÉ½¼¨¤¹¤ì¤ÐÊØÍø¤¸¤ã¤Ê¤¤¤«¡©GoodIdea¡ª¤È»×¤¤¤Ä¤¤Þ¤·¤¿¡£
¤µ¤é¤Ë¡¢DDE¤È¥·¥ê¥¢¥ëÄÌ¿®¤¬½ÐÍè¤Æ°·¤¤¤¬´Êñ¤Ê¥×¥í¥°¥é¥ß¥ó¥°¥½¥Õ¥È¤òõ¤·¤¿¤È¤³¤í¡¢¥Õ¥ê¡¼¥½¥Õ¥È¤ÎHSP¤Ç¤Ç¤¤½¤¦¤Ê»ö¤¬È½¤ê¤Þ¤·¤¿¡£HSP¤Ç¥½¥Õ¥È¤òÁȤà¤Î¤Ï½é¤á¤Æ¤Ç¤·¤¿¤¬¡¢»×¤Ã¤¿¤è¤ê°·¤¤¤ä¤¹¤¯¤ÆÌµ»ö¤Ç¤¤Þ¤·¤¿¡£
VO-52¤Î¼°¤Ï¡¢Ftx = 581150 - Frv - Fd435 + Fd145
¡¡Fd¡Á ¤Ï¥É¥Ã¥×¥é¡¼¥·¥Õ¥È¤Î¼þÇÈ¿ô¡¢Á÷¿®¼þÇÈ¿ôFtx¤È¼õ¿®¼þÇÈ¿ôFrv¤ÏÆþ¤ìÂØ¤¨¤Æ¤âOK¡£
¡ÊºÇ½é¤Ï¤³¤Î¼°¤â¤ï¤«¤é¤º¶ìÏ«¤·¤¿¡¦¡¦¡¦¡Ë
¥½¥Õ¥È¤Ï¤³¤Á¤é¡¢http://yoshikawa.jpn.org/main/ext/link2.htm
̵Àþµ¡¤È¤Ä¤Ê¤°¥±¡¼¥Ö¥ë¤Ï·ÈÂÓÍѤΤò²þ¤¤·¤Æºî¤ê¤Þ¤·¤¿¡£
¤³¤ì¤Ç¡¢VO-52¤Î¼þÇÈ¿ô³Îǧ¤Ï³ÊÃʤˤä¤ê¤ä¤¹¤¯¤Ê¤ê¡¢¤³¤Î¸å¤Ê¤ó¶É¤«¤È¸ò¿®¤Ç¤¤Æ¤¤¤Þ¤¹¡£
¤³¤Î¥Ú¡¼¥¸¤ÎÌܼ¡
- ¥Þ¥¤¥³¥ó¹©ºî¡õ¥½¥Õ¥È¡¡¡¡Ìܼ¡
- QSL CREATOR Web¡¡2024/1/31-3/29
- HamAward ¤«¤éeQSL¤òÆÀ¤ë¡¡2024/1/18
- Wsjtx-log¤Î¥Ñ¥½¥³¥ó´Ö¥³¥Ô¡¼¡¡2024/1/13
- Wsjtx-log.adi¤ÎNilºï½ü¡¡2024/1/6
- Rasberry pi pico + 1.8inch TFT LCD 128x160¡¡2023/4/24-9/9
- Rasberry pi pico¤ÇAruduino¡¡2023/3/4-9/9
- ATMEL AVRISPmk2¥É¥é¥¤¥Ð¡¼¡¡2023/1/25
- BASCOM¤Ç¾®¿ô¤Î¤Ù¤¾è¤ò·×»»¡¡2022/9/8
- MPLAB X IPE¤ÇPIC¤ÎEE data¤òÊѹ¹¡¡2021/11/11
- nanoVNA »þ´Ö¥É¥á¥¤¥ó¬Äê¡¡2021/10/24
- BascomAVR¥¤¥ó¥¹¥È¡¼¥ë¤Î¥È¥é¥Ö¥ë¡¡2021/9/17
- Windows10¤ËArduino¡¡2021/8/29
- NanoVNA¤Î²þÁ±²þ¤¡¡2021/3/28
- Windows10¤ÇAVR Studio4¤ò»È¤¦¡¡2020/11/3
- 1.54·¿OLED I2C Çò¿§ ¤Î³Îǧ¡¡2020/7/3-8
- nanoVNA¤ÎVerUP¤ÈPC¥½¥Õ¥È¡¡2019/11/21-2021/2/12
- MSi.SDR¡¡2019/11/5-10
- Ãæ¹ñÀ½nanoVNA¤Î¼ÂÎÏ¡¡2019/8/18
- 1.3·¿OLED¤ÈAVRÅ۵¡¡2019/4/23-
- TJ-Lab AF-PSN ¤Î¥³¥ó¥Ñ¥¤¥ë¡¡2019/3/5-3/26
- MPLAB express¡¡2018/12/16
- ¥¥ã¥é¥¯¥¿LCD ATD1602CP¡¡2018/10/31
- Å۵¥Ç¡¼¥¿¥í¥¬¡¼¡¡2018/6/20
- ¥í¡¼¥¿¥ê¡¼¥¨¥ó¥³¡¼¥À¡¢¥¯¥ê¥Ã¥¯Í¡¡2017/2/7-2018/9/26
- Aliexpress¤ÇÇã¤Ã¤¿¡¡2017/4/25¡Á
- Mbed¡¡STM32 Nucleo¡¡2017/9/17-
- ¥¹¥¤¥Ã¥Á¥µ¥¤¥¨¥ó¥¹PCB¡¡2017/4/20
- ¥¥ã¥é¥¯¥¿LCD AQM1602¤ÎÅ۵¡¡2017/4/7
- Ãæ²ÚOLED 1.3·¿ SH1106¡¡2017/3/26-5/1
- OLED UG-2864KSWL¡¡2017/2/2
- ·ã°Â¤ÊAVRasp¥é¥¤¥¿¡¡2016/12/13-2017/3/4
- R820T2¤ÇSDR¡¡2016/4/8
- ´ðÈÄÀ½ºî¥á¡¼¥«¡¼¡¡2013/2/16
- BASCOM-AVR¤Î¹ØÆþ¡¡2012/10/21
- ´ðÈÄCAD¤Î»È¤¤¿´ÃÏ¡¡2012/8/25
- Á÷¿®¼õ¿®¼þÇÈ¿ô¤Î¤º¤ì¡¡2010/10/7
- COM¥Ý¡¼¥È¤ÎÊѹ¹¡¡2010/4/17
- Arduino¤ÇÂç¶ìÀï¡¡2010/2/9-16.3/4
- AVR¤½¤Î£³¡¡2008/4/30
- AVR¤½¤Î£²¡¡2008/2/16
- AVR¤ò»î¤·¤Æ¤¤¤Þ¤¹¡¡2008/1/17-22.2/6
- Hamlog QSObank tool¡¡2007/10/6
- AO-7¤Î¼þÇÈ¿ô·×»»¼°¡¡2007/9/16
- ¼þÇÈ¿ô·×»»¥½¥Õ¥È¤òVerUP¤·¤Þ¤·¤¿¡¡2006/1/19-2/2
- ¼þÇÈ¿ô·×»»¥½¥Õ¥È¤âºî¤ê¤Þ¤·¤¿¡¡2005/9/16
- ¤³¤Î¥Ú¡¼¥¸¤ÎÌܼ¡

ºÇ½ª¹¹¿·»þ´Ö¡§2025/03/30 11:57:36